
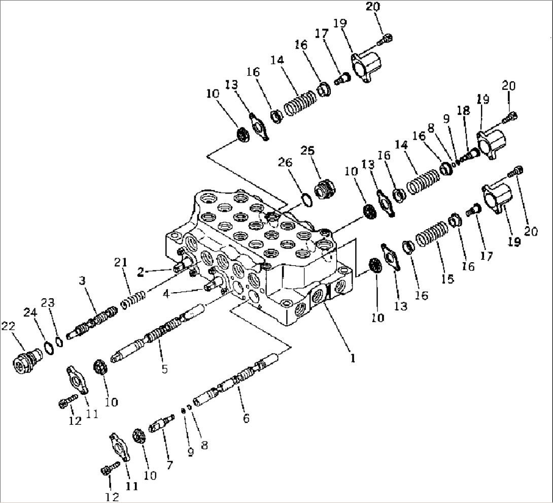
Item | Part No. | Part Name | Qty | Serial No. |
709-25-11202 | VALVE ASS'Y,R.H. | 2001- | ||
THIS ASSEMBLY CONSISTS OF ALL PARTS SHOWN IN FIGS.6511 TO 6515. | ||||
709-25-00010 | BODY ASS'Y | 2001- | ||
1 | \6\ | BODY,VALVE | 2001- | |
2 | \6\ | SPOOL,R.H. TRAVEL | 2001- | |
3 | \6\ | SPOOL,STRAIGHT TRAVEL | 2001- | |
4 | \6\ | SPOOL,BUCKET | 2001- | |
5 | \6\ | SPOOL,BOOM LOW | 2001- | |
6 | \6\ | SPOOL,ARM HIGH | 2001- | |
7 | 709-25-11340 | JOINT | 2001- | |
8 | 07000-11003 | O-RING | 2001- | |
9 | 07001-01003 | RING,BACK-UP | 2001- | |
10 | 709-25-11290 | SEAL | 2001- | |
11 | 709-25-11320 | PLATE | 2001- | |
12 | 01252-30616 | BOLT | 2001- | |
13 | 709-25-11310 | PLATE | 2001- | |
14 | 700-23-13130 | SPRING | 2001- | |
15 | 700-22-11311 | SPRING | 2001- | |
16 | 700-22-11291 | RETAINER | 2001- | |
17 | 700-22-11321 | PLUG | 2001- | |
18 | 709-25-11330 | PLUG | 2001- | |
19 | 700-22-11331 | COVER | 2001- | |
20 | 01252-30616 | BOLT | 2001- | |
21 | 709-25-11410 | SPRING | 2001- | |
22 | 709-25-11460 | NIPPLE | 2001- | |
23 | 07000-02015 | O-RING | 2001- | |
24 | 07002-02434 | O-RING | 2001- | |
25 | 709-25-11430 | PLUG | 2001- | |
26 | 07002-02434 | O-RING | 2001- |