
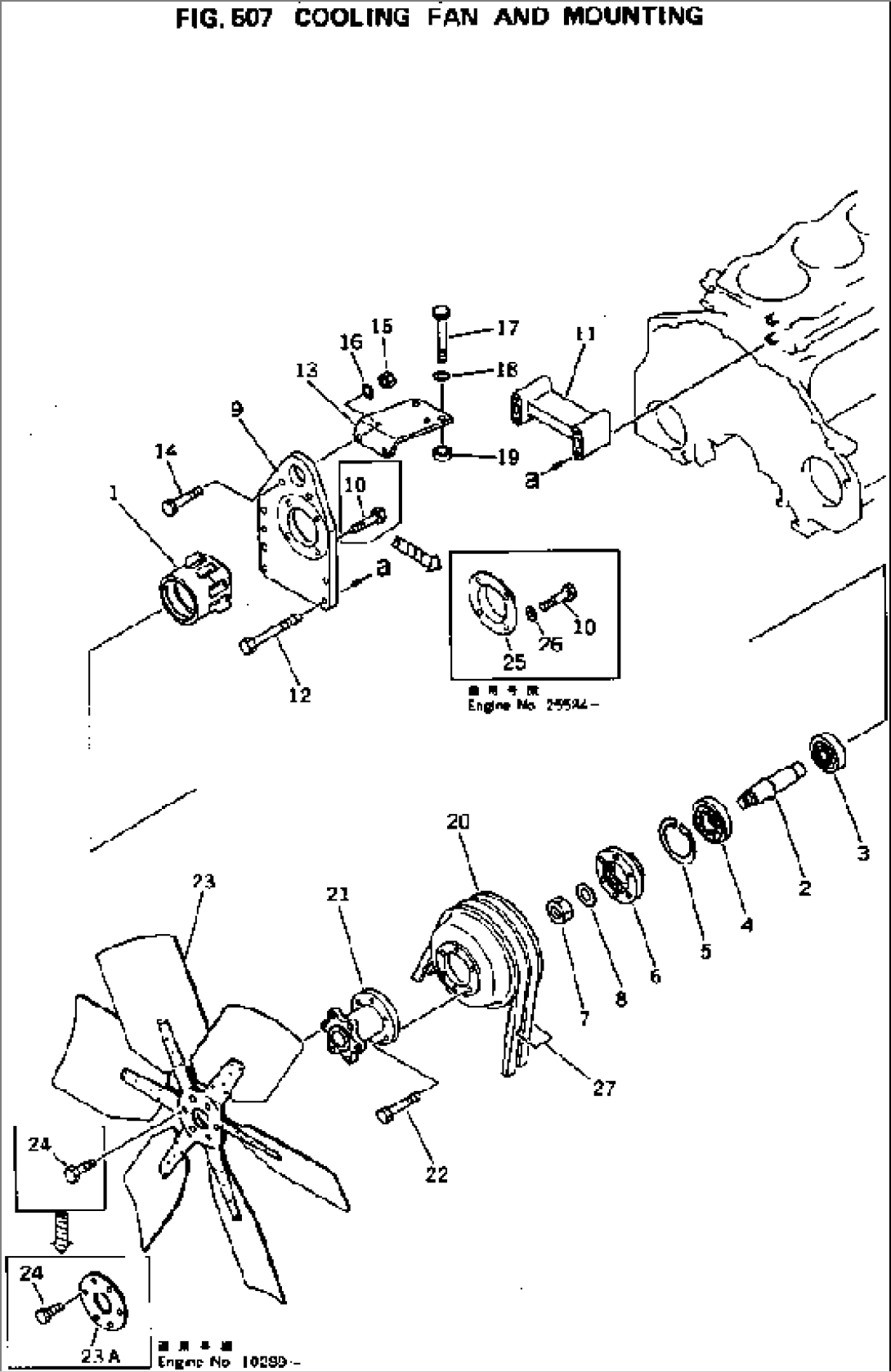
| Item | Part No. | Part Name | Qty | Serial No. | 
| 6151-61-3201 | CASE ASS'Y | 25584- | ||
| \0\6151-61-3200 | CASE ASS'Y | 10001-25583 | ||
| 1 | 6151-61-3152 | CASE | 15705- | |
| 1 | \0\6151-61-3150 | CASE | 10001-15704 | |
| 2 | 6151-61-3170 | SHAFT | 10001- | |
| 3 | 06037-06206 | BEARING,BALL | 15705- | |
| 3 | 06007-06206 | BEARING,BALL | 10001-15704 | |
| 4 | 06037-06307 | BEARING,BALL | 15705- | |
| 4 | 06007-06307 | BEARING,BALL | 10001-15704 | |
| 5 | 04065-08025 | RING,SNAP | 10001- | |
| 6 | 6151-61-3120 | HUB | 10001- | |
| 7 | 01583-02414 | NUT | 10001- | |
| 8 | 01643-32460 | WASHER | 10001- | |
| 9 | 6151-61-3430 | PLATE | 10001- | |
| 10 | 01010-51030 | BOLT | 10001- | |
| 11 | 6150-61-3540 | SPACER | 10001- | |
| 12 | 01011-51015 | BOLT | 10001- | |
| 13 | 6151-61-3550 | BRACKET | 10001- | |
| 14 | 01010-51040 | BOLT | 10001- | |
| 15 | 01580-11008 | NUT | 10001- | |
| 16 | 01643-31032 | WASHER | 10001- | |
| 17 | 01010-51095 | BOLT | 10001- | |
| 18 | 01643-31032 | WASHER | 30748- | |
| 18 | \0\01640-21016 | WASHER | 10001-30747 | |
| 19 | 6131-12-5920 | SPACER | 15705- | |
| 19 | \0\205-965-1310 | SPACER | 10001-15704 | |
| 20 | 6151-61-3380 | PULLEY | 10001- | |
| 21 | 6151-61-3740 | SPACER | 10001- | |
| 22 | 01010-51030 | BOLT | 10001- | |
| 23 | 600-633-0710 | FAN | 10001- | |
| 23A | 6131-62-3310 | PLATE | 10289- | |
| 24 | 01010-51030 | BOLT | 10001- | |
| 25 | 6151-61-3970 | COVER | 25584- | |
| 26 | 01641-21016 | WASHER | 25584- | |
| 27 | 04121-22267 | V-BELT SET | 10001- | 
