
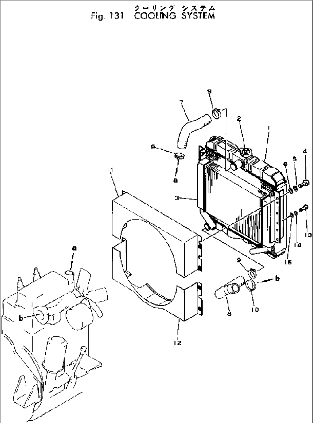
| Item | Part No. | Part Name | Qty | Serial No. |
| FF7810-03100 | RADIATOR ASS'Y | 1001- | ||
| 1 | FF7810-03110 | RADIATOR ASS'Y | 1001- | |
| 2 | FF7810-03120 | CAP,FILTER | 1001- | |
| 3 | FF7810-03140 | OIL COOLER ASS'Y | 1001- | |
| 3A | FF7810-3150 | GASKET | 1001- | |
| 3B | FF7810-0316 | COCK | 1001- | |
| 4 | 01010-50820 | BOLT | 1001- | |
| 5 | 01602-20825 | WASHER,SPRING | 1001- | |
| 6 | 01640-20816 | WASHER | 1001- | |
| 7 | FF7810-03210 | HOSE | 1001- | |
| 8 | FF7810-03220 | HOSE | 1001- | |
| 9 | 07280-04426 | CLAMP | 1001- | |
| 10 | 07280-05026 | CLAMP | 1001- | |
| 11 | FF7810-03170 | SHROUD,UPPER | 1001- | |
| 12 | FF7810-03180 | SHROUD,LOWER | 1001- | |
| 13 | 01010-50620 | BOLT | 1001- | |
| 14 | 01602-20619 | WASHER,SPRING | 1001- | |
| 15 | 01640-20610 | WASHER | 1001- |
