
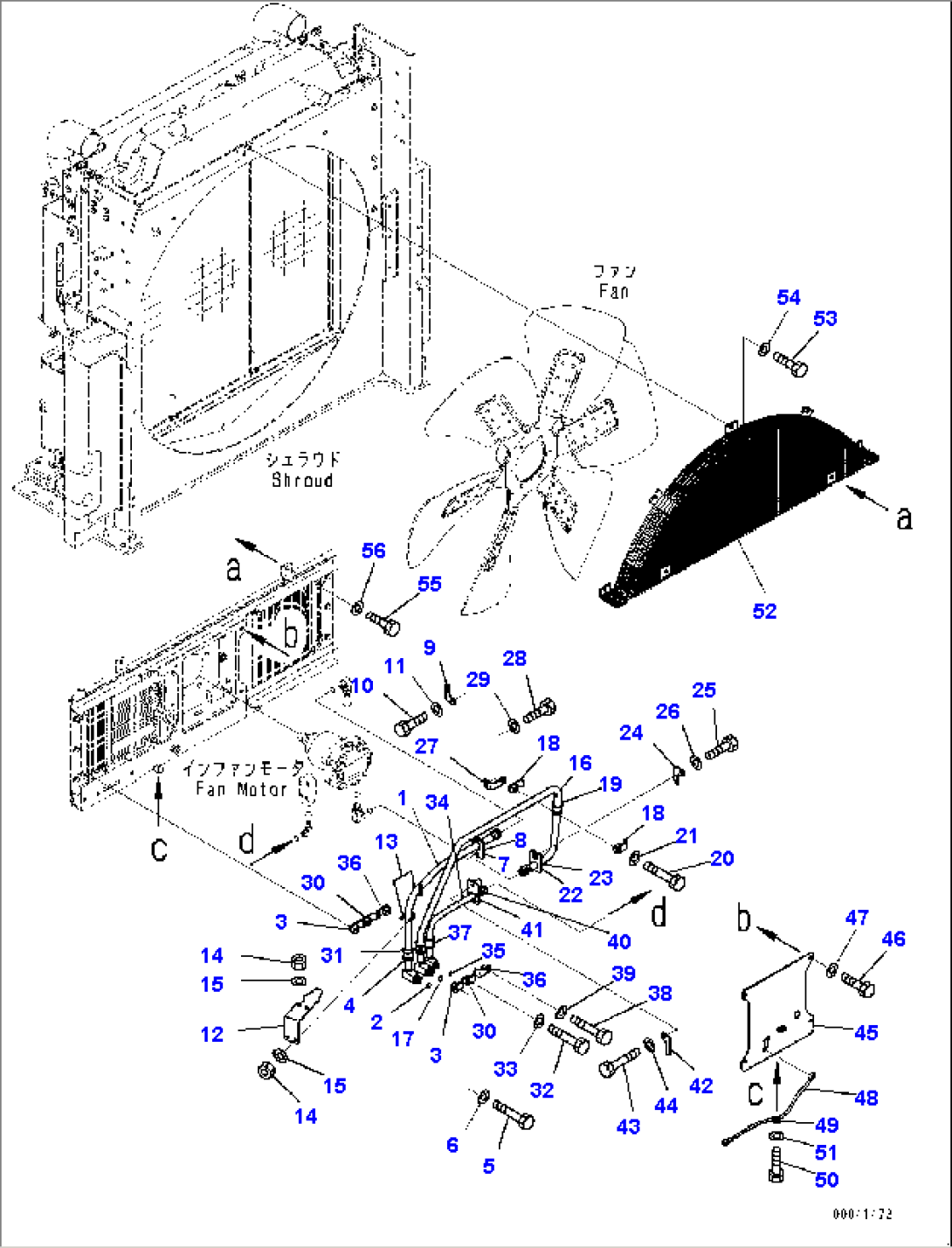
| Item | Part No. | Part Name | Qty | Serial No. |
| 1 | 209-03-41830 | Tube | 65001-@ | |
| 2 | 02896-61018 | O-ring | 65001-@ | |
| 3 | 07094-10518 | Clamp | 65001-@ | |
| 4 | 07095-00526 | Cushion | 65001-@ | |
| 5 | 01010-81275 | Bolt | 65001-@ | |
| 6 | 01643-31232 | Washer | 65001-@ | |
| 7 | 209-03-41870 | Cover | 65001-@ | |
| 8 | 209-03-41880 | Sheet | 65001-@ | |
| 9 | 209-03-41860 | Bracket | 65001-@ | |
| 10 | 01010-81040 | Bolt | 65001-@ | |
| 11 | 01643-31032 | Washer | 65001-@ | |
| 12 | 209-03-42610 | Plate | 65001-@ | |
| 13 | 07283-32738 | Clip, Pipe | 65001-@ | |
| 14 | 01597-01009 | Nut | 65001-@ | |
| 15 | 01643-31032 | Washer | 65001-@ | |
| 16 | 209-03-41840 | Tube | 65001-@ | |
| 17 | 02896-61018 | O-ring | 65001-@ | |
| 18 | 07094-10518 | Clamp | 65001-@ | |
| 19 | 07095-00526 | Cushion | 65001-@ | |
| 20 | 01010-81275 | Bolt | 65001-@ | |
| 21 | 01643-31232 | Washer | 65001-@ | |
| 22 | 209-03-41870 | Cover | 65001-@ | |
| 23 | 209-03-41880 | Sheet | 65001-@ | |
| 24 | 209-03-41860 | Bracket | 65001-@ | |
| 25 | 01010-81040 | Bolt | 65001-@ | |
| 26 | 01643-31032 | Washer | 65001-@ | |
| 27 | 209-03-41910 | Bracket | 65001-@ | |
| 28 | 01010-81230 | Bolt | 65001-@ | |
| 29 | 01643-31232 | Washer | 65001-@ | |
| 30 | 07094-10518 | Clamp | 65001-@ | |
| 31 | 07095-00526 | Cushion | 65001-@ | |
| 32 | 01010-81265 | Bolt | 65001-@ | |
| 33 | 01643-31232 | Washer | 65001-@ | |
| 34 | 209-03-41851 | Tube | 65001-@ | |
| 35 | 02896-61012 | O-ring | 65001-@ | |
| 36 | 07094-10417 | Clamp | 65001-@ | |
| 37 | 07095-00420 | Cushion | 65001-@ | |
| 38 | 01010-81275 | Bolt | 65001-@ | |
| 39 | 01643-31232 | Washer | 65001-@ | |
| 40 | 209-03-41931 | Cover | 65001-@ | |
| 41 | 209-03-41891 | Sheet | 65001-@ | |
| 42 | 209-03-41921 | Bracket | 65001-@ | |
| 43 | 01010-81065 | Bolt | 65001-@ | |
| 44 | 01643-31032 | Washer | 65001-@ | |
| 45 | 209-03-41940 | Cover | 65001-65017 | |
| 46 | 01010-81230 | Bolt | 65001-@ | |
| 47 | 01643-31232 | Washer | 65001-@ | |
| 48 | 209-06-41260 | Wiring Harness | 65001-@ | |
| 49 | 04434-51012 | Clip | 65001-@ | |
| 50 | 01010-81225 | Bolt | 65001-@ | |
| 51 | 01643-31232 | Washer | 65001-@ | |
| 52 | 209-03-41790 | Guard | 65001-@ | |
| 53 | 01010-81240 | Bolt | 65001-@ | |
| 54 | 01643-31232 | Washer | 65001-@ | |
| 55 | 01010-81225 | Bolt | 65001-@ | |
| 56 | 01643-31232 | Washer | 65001-@ |
