
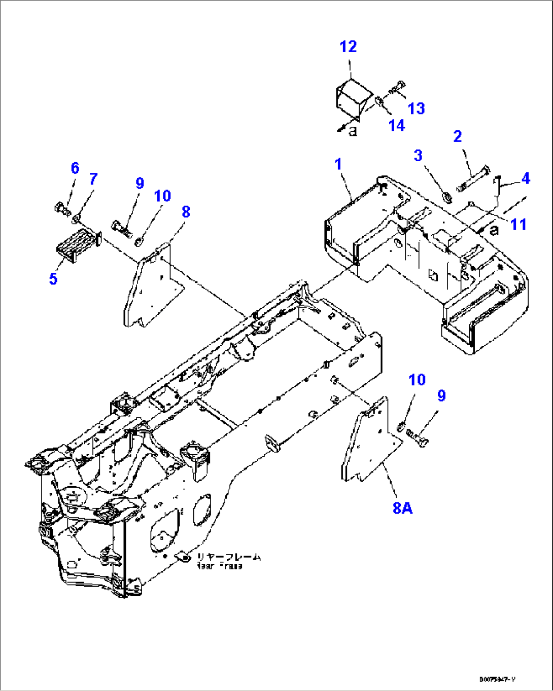
| Item | Part No. | Part Name | Qty | Serial No. | 
| 1 | 419-46-35210 | COUNTER WEIGHT | B10001- | |
| 2 | 01011-62480 | BOLT | B10001- | |
| 3 | 01643-32060 | WASHER | B10001- | |
| 4 | 418-46-35140 | PIN | B10001- | |
| 5 | 418-04-31181 | STEP | B10001- | |
| 6 | 01010-81235 | BOLT | B10001- | |
| 7 | 01643-31232 | WASHER | B10001- | |
| 8 | 419-975-3112 | COUNTER WEIGHT | B10254- | |
| 419-975-3112 | COUNTER WEIGHT | B10017-B10253 | ||
| 8A | 419-975-B110 | COUNTER WEIGHT | B10254- | |
| 9 | 01010-82090 | BOLT | B10001- | |
| 10 | 01643-32060 | WASHER | B10001- | |
| 11 | 07049-01012 | PLUG | B10001- | |
| 12 | 419-54-B5550 | PLATE | B10275- | |
| 13 | 01010-81020 | BOLT | B10275- | |
| 14 | 01643-31032 | WASHER | B10275- | 
