
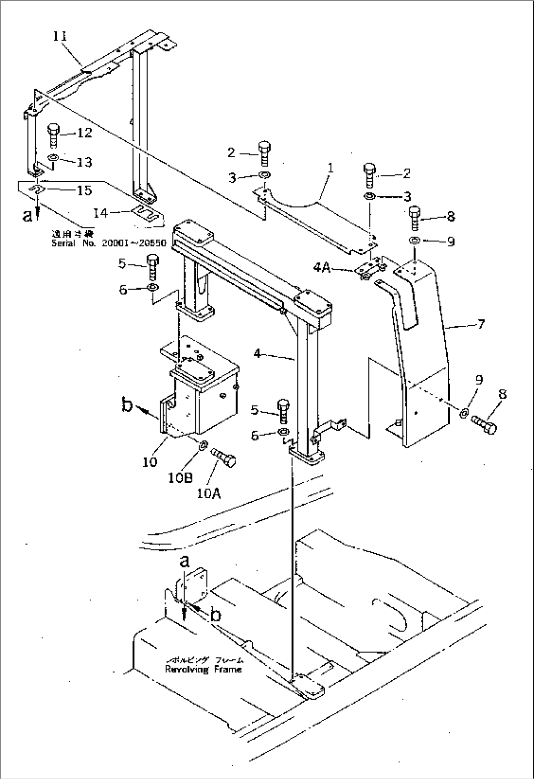
Item | Part No. | Part Name | Qty | Serial No. |
G-1 | (\8\208-956-X210) | FOPS GROUP | 20001- | |
==================== | ||||
1 | 208-956-5170 | COVER | 20001- | |
2 | 01010-51225 | BOLT | 20001- | |
3 | 01643-31232 | WASHER | 20001- | |
4 | 207-956-5121 | GUARD | 20001- | |
4A | 207-956-5181 | BRACKET | 20001- | |
5 | 01010-51640 | BOLT | 20001- | |
6 | 01643-31645 | WASHER | 20001- | |
7 | 207-956-5161 | COVER | 20001- | |
8 | 01010-51225 | BOLT | 20001- | |
9 | 01643-31232 | WASHER | 20001- | |
10 | 207-956-5190 | BRACKET | 20001- | |
10A | 01010-51640 | BOLT | 20001- | |
10B | 01643-31645 | WASHER | 20001- | |
11 | 208-956-5211 | BRACKET | 20001- | |
==================== | ||||
12 | 01010-51230 | BOLT | 20001- | |
13 | 01643-31232 | WASHER | 20001- | |
14 | 207-54-52560 | PLATE | 20001-20550 | |
15 | 20Y-54-18190 | PLATE | 20001-20550 |