
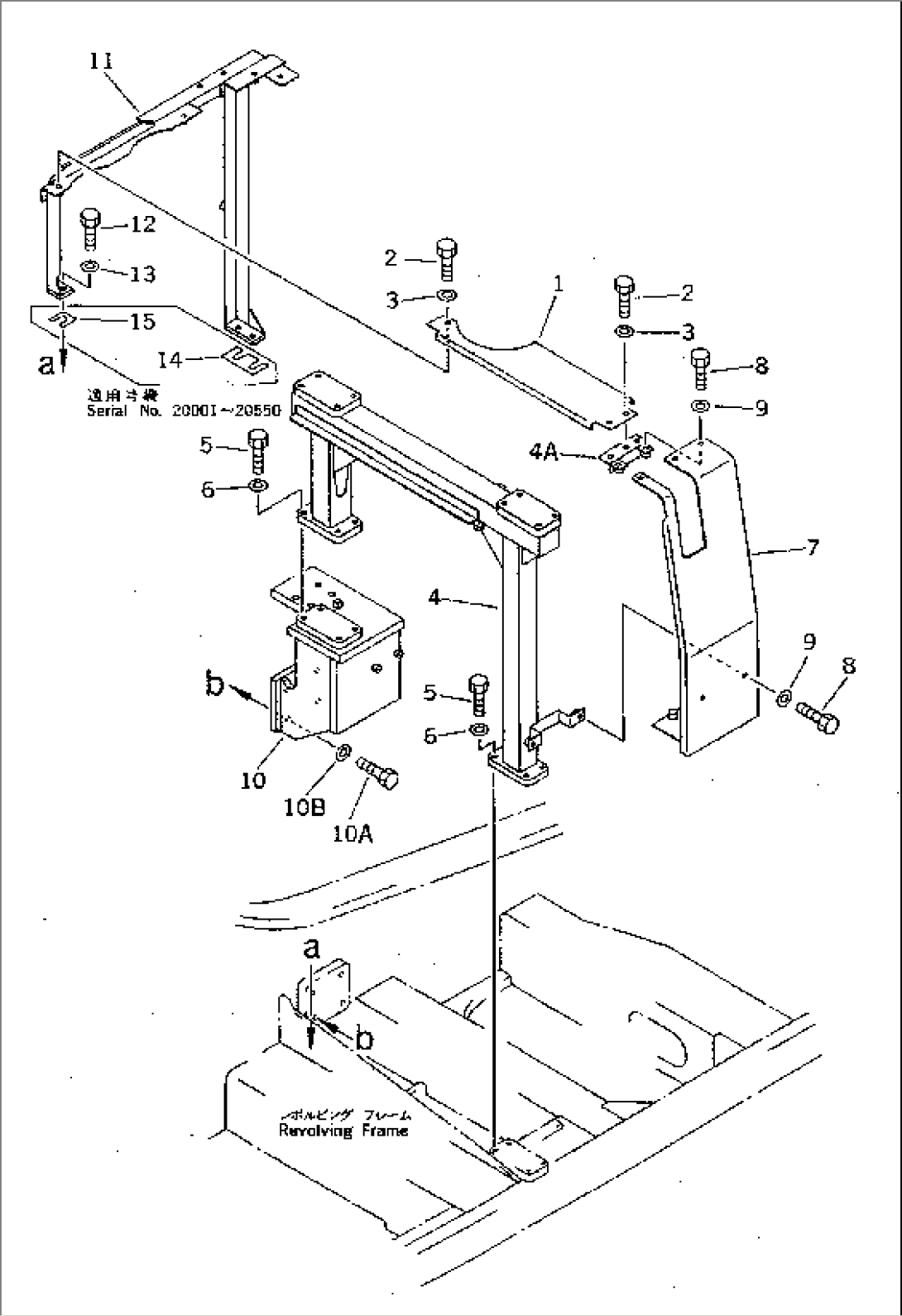
| Item | Part No. | Part Name | Qty | Serial No. |
| G-1 | (\8\208-956-X210) | FOPS GROUP | 20001- | |
| ==================== | ||||
| 1 | 208-956-5170 | COVER | 20001- | |
| 2 | 01010-51225 | BOLT | 20001- | |
| 3 | 01643-31232 | WASHER | 20001- | |
| 4 | 207-956-5121 | GUARD | 20001- | |
| 4A | 207-956-5181 | BRACKET | 20001- | |
| 5 | 01010-51640 | BOLT | 20001- | |
| 6 | 01643-31645 | WASHER | 20001- | |
| 7 | 207-956-5161 | COVER | 20001- | |
| 8 | 01010-51225 | BOLT | 20001- | |
| 9 | 01643-31232 | WASHER | 20001- | |
| 10 | 207-956-5190 | BRACKET | 20001- | |
| 10A | 01010-51640 | BOLT | 20001- | |
| 10B | 01643-31645 | WASHER | 20001- | |
| 11 | 208-956-5211 | BRACKET | 20001- | |
| ==================== | ||||
| 12 | 01010-51230 | BOLT | 20001- | |
| 13 | 01643-31232 | WASHER | 20001- | |
| 14 | 207-54-52560 | PLATE | 20001-20550 | |
| 15 | 20Y-54-18190 | PLATE | 20001-20550 |
