
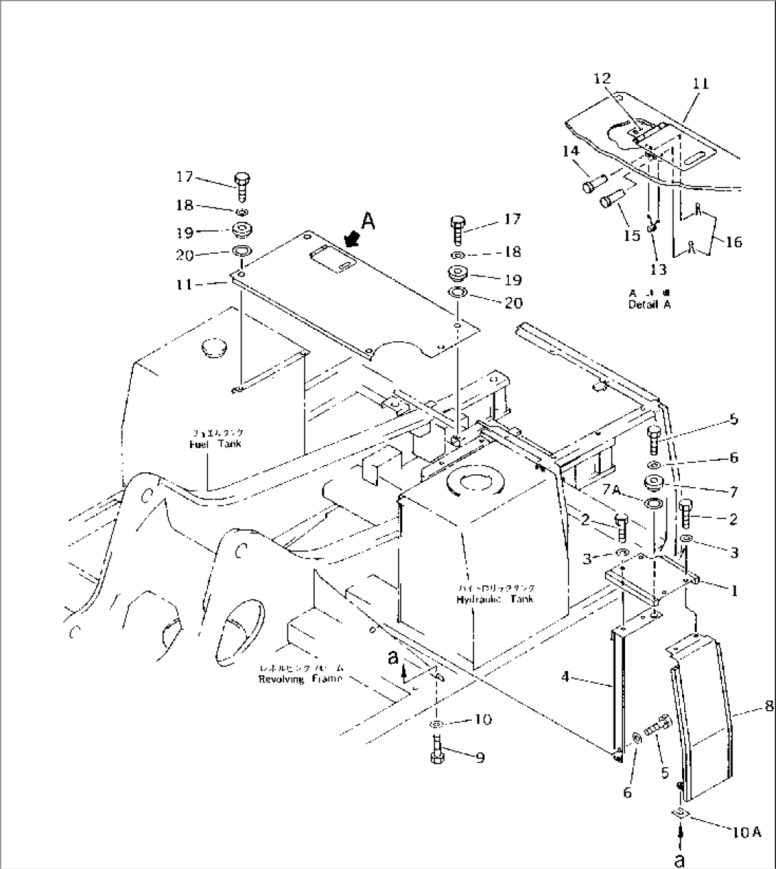
| Item | Part No. | Part Name | Qty | Serial No. |
| 1 | 20Y-54-K3860 | COVER | K20001-K20571 | |
| 2 | 01010-51230 | BOLT | K20001-@ | |
| 3 | 01643-31232 | WASHER | K20001-@ | |
| 4 | 20Y-54-12721 | FRAME | K20001-@ | |
| 5 | 01010-51230 | BOLT | K20001-@ | |
| 6 | 01643-31232 | WASHER | K20001-@ | |
| 7 | 20Y-54-12822 | COLLAR | K20001-@ | |
| 7A | 20Y-54-12990 | PLATE | K20001-@ | |
| 8 | 20Y-54-K3850 | COVER | K20001-K20571 | |
| 9 | 01010-51230 | BOLT | K20001-@ | |
| 10 | 01643-31232 | WASHER | K20001-@ | |
| 10A | 20Y-54-18190 | PLATE | K20001-@ | |
| 11 | 20Y-54-K3590 | COVER | K20001-K20571 | |
| 12 | 203-54-32230 | HINGE (WELDED) | K20001-@ | |
| 13 | 09463-00006 | SPRING | K20001-@ | |
| 14 | 04205-10614 | PIN | K20001-@ | |
| 15 | 04205-10618 | PIN | K20001-@ | |
| 16 | 04050-11610 | PIN,COTTER | K20001-@ | |
| 17 | 01010-51230 | BOLT | K20001-@ | |
| 18 | 01643-31232 | WASHER | K20001-@ | |
| 19 | 20Y-54-12822 | COLLAR | K20001-@ | |
| 20 | 20Y-54-16950 | PLATE | K20001-@ |
