
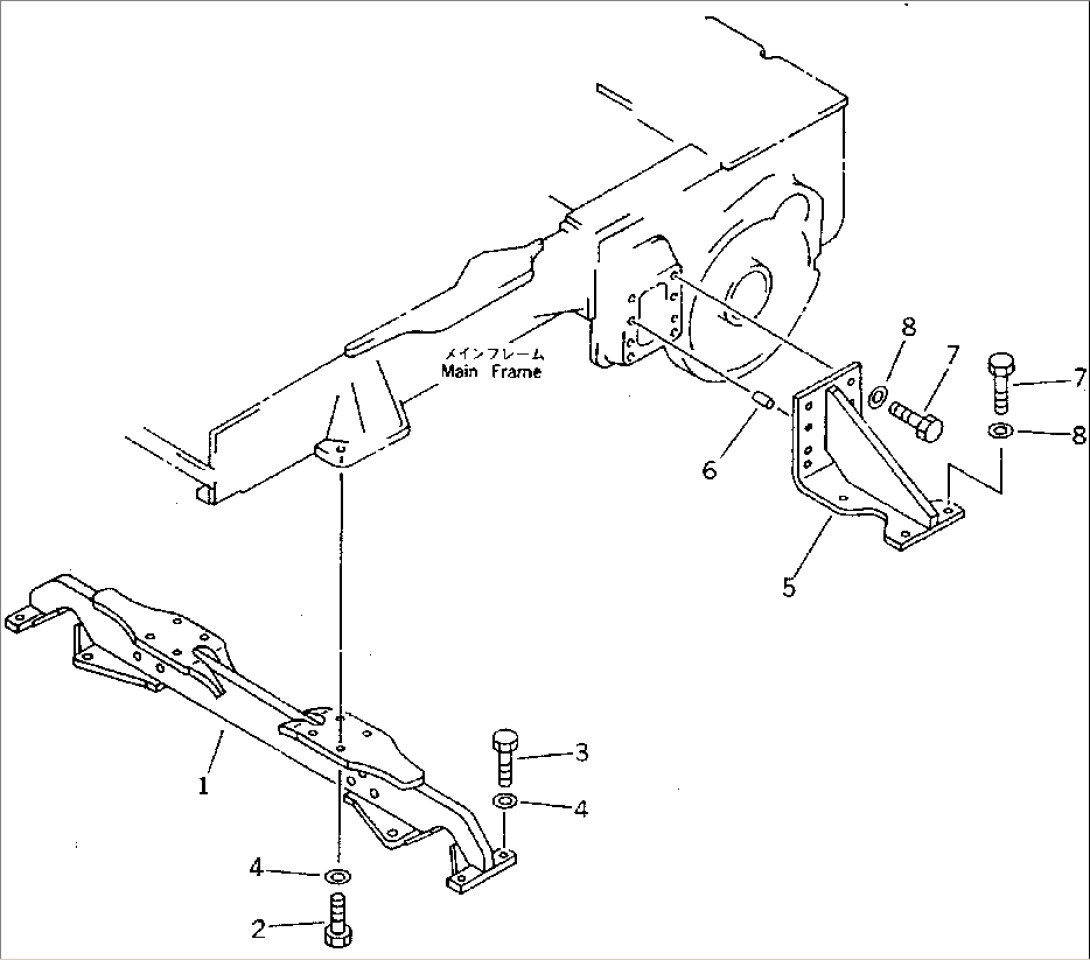
| Item | Part No. | Part Name | Qty | Serial No. |
| 1 | 11K-50-41110 | BAR,CROSS | 40001- | |
| 2 | 01010-52055 | BOLT | 40001- | |
| 3 | 01010-52050 | BOLT | 40001- | |
| 4 | 01643-32060 | WASHER | 40001- | |
| 5 | 11K-50-41120 | BRACKET | 40001- | |
| 6 | 04020-01842 | PIN,DOWEL | 40001- | |
| 7 | 01010-52050 | BOLT | 40001- | |
| 8 | 01643-32060 | WASHER | 40001- |
