
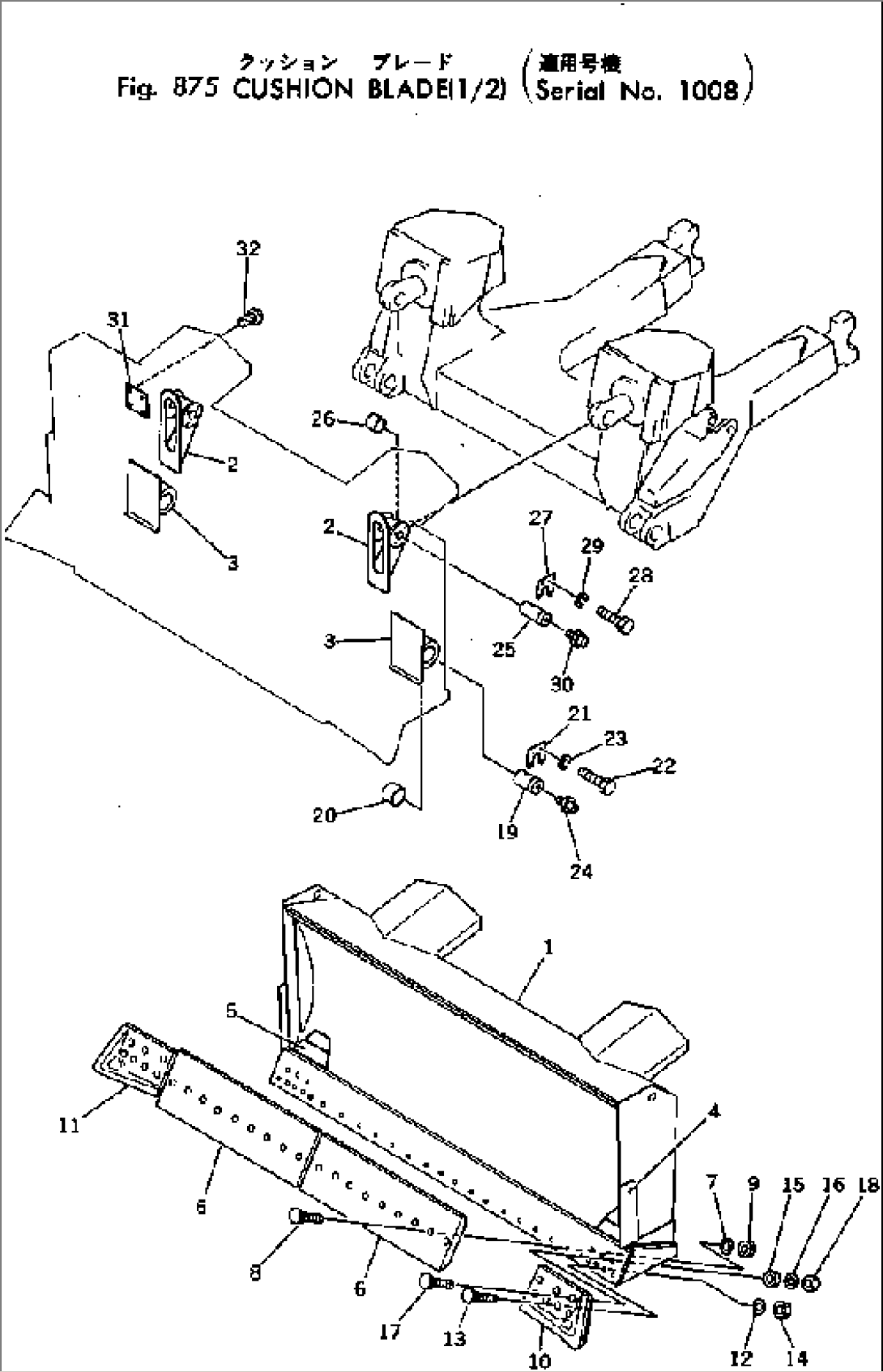
| Item | Part No. | Part Name | Qty | Serial No. |
| 198-928-0010 | BLADE ASS'Y | 1008-1008 | ||
| 1 | \6\ | BLADE | 1008-1008 | |
| 2 | 198-71-11330 | BRACKET (WELDED) | 1008-1008 | |
| 3 | 198-928-1130 | BRACKET (WELDED) | 1008-1008 | |
| 4 | 198-928-1121 | PLATE (WELDED) | 1008-1008 | |
| 5 | 198-928-1450 | PLATE (WELDED) | 1008-1008 | |
| 6 | 198-71-11181 | EDGE,CUTTING | 1008-1008 | |
| 7 | 198-71-11230 | WASHER | 1008-1008 | |
| 8 | 02091-12010 | BOLT | 1008-1008 | |
| 9 | 02290-12031 | NUT | 1008-1008 | |
| 10 | 198-72-11170 | BIT, END,L.H. | 1008-1008 | |
| 11 | 198-72-11160 | BIT, END,R.H. | 1008-1008 | |
| 12 | 198-71-11230 | WASHER | 1008-1008 | |
| 13 | 02091-12020 | BOLT | 1008-1008 | |
| 14 | 02290-12031 | NUT | 1008-1008 | |
| 15 | 198-71-11190 | BOSS | 1008-1008 | |
| 16 | 198-71-11230 | WASHER | 1008-1008 | |
| 17 | 02091-12045 | BOLT | 1008-1008 | |
| 18 | 02290-12031 | NUT | 1008-1008 | |
| 19 | 09253-10235 | PIN | 1008-1008 | |
| 20 | 198-928-1140 | BUSHING | 1008-1008 | |
| 21 | 09256-01014 | LOCK | 1008-1008 | |
| 22 | 01010-32045 | BOLT | 1008-1008 | |
| 23 | 01602-02060 | WASHER | 1008-1008 | |
| 24 | 07020-00000 | FITTING | 1008-1008 | |
| 25 | 09253-80205 | PIN | 1008-1008 | |
| 26 | 198-928-1240 | BUSHING | 1008-1008 | |
| 27 | 09256-08014 | LOCK | 1008-1008 | |
| 28 | 01010-32045 | BOLT | 1008-1008 | |
| 29 | 01602-02060 | WASHER | 1008-1008 | |
| 30 | 07020-00000 | FITTING | 1008-1008 | |
| 31 | 09601-00835 | PLATE, NAME | 1008-1008 | |
| 32 | 04418-03060 | SCREW | 1008-1008 |
