
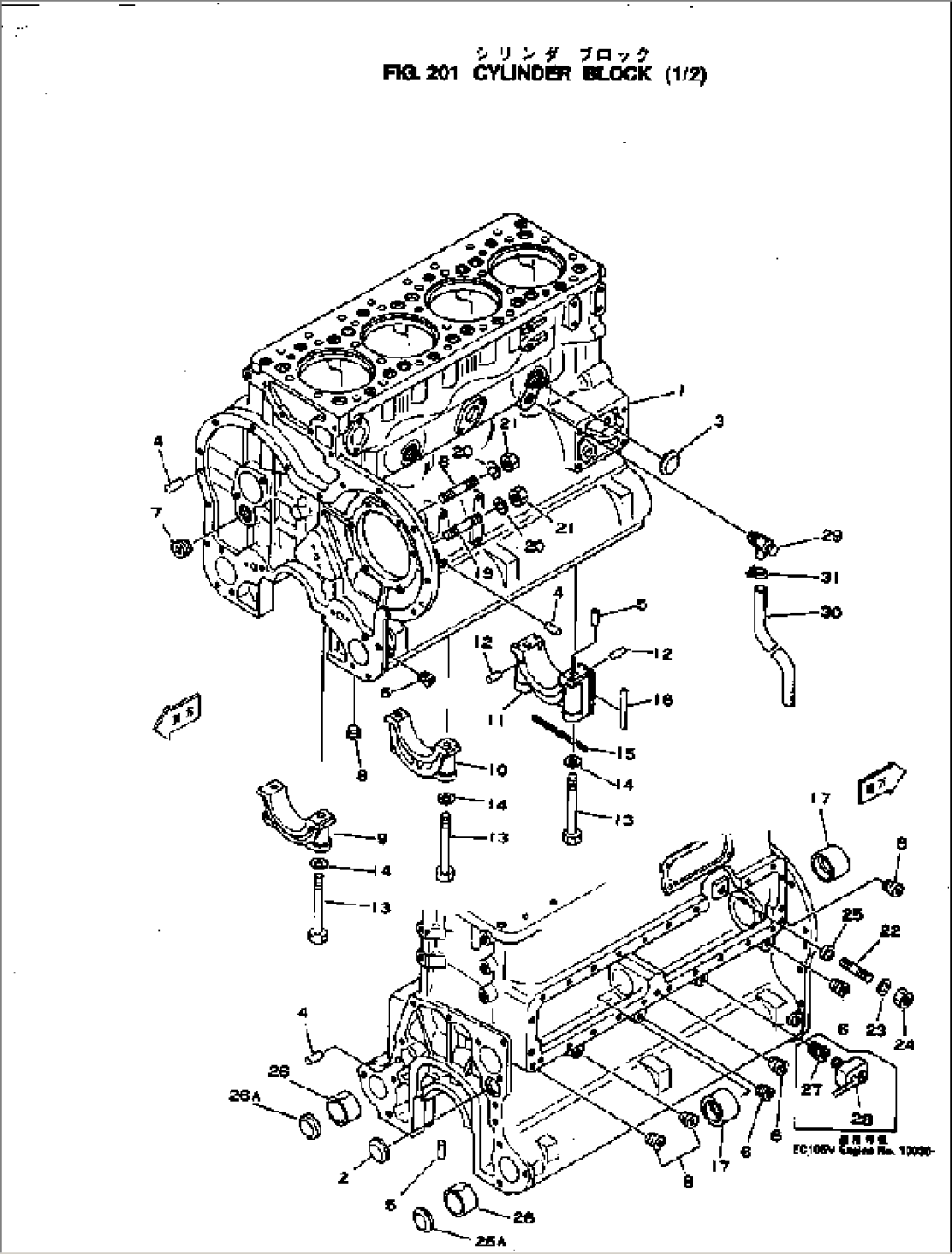
Item | Part No. | Part Name | Qty | Serial No. |
6115-20-1002 | CYLINDER BLOCK A. | 10806- | ||
\0\6115-20-1001 | CYLINDER BLOCK A. | 10777-10805 | ||
\0\6114-20-1002 | CYLINDER BLOCK A. | 10554-10776 | ||
6114-21-1002 | CYLINDER BLOCK A. | 10777- | ||
\0\6114-21-1001 | CYLINDER BLOCK A. | 10554-10776 | ||
1 | \6\ | BLOCK | 10777- | |
\6\ | BLOCK | 10554-10776 | ||
2 | 07046-13520 | PLUG | 10554- | |
3 | 07046-14520 | PLUG | 10554- | |
4 | 04020-01228 | PIN | 10554- | |
5 | 04020-00616 | PIN | 10554- | |
6 | 07042-00211 | PLUG | 10554- | |
7 | 07043-01019 | PLUG | 10554- | |
8 | 6110-23-1170 | PLUG | 10554- | |
9 | 6110-23-1211 | CAP | 10554- | |
10 | 6110-23-1231 | CAP | 10554- | |
11 | 6114-20-1400 | MAIN METAL CAP A. | 10554- | |
6114-21-1250 | CAP | 10554- | ||
12 | 04020-00514 | PIN | 10554- | |
13 | 6114-21-1710 | BOLT | 10554- | |
14 | 6114-21-1720 | WASHER | 10554- | |
15 | 6110-21-1810 | GASKET (K2) | 10554- | |
16 | 6110-21-1821 | GASKET (K2) | 10554- | |
17 | 6110-23-1410 | BUSHING | 10554- | |
18 | 01100-30822 | STUD | 10554- | |
19 | 01100-30830 | STUD | 10554- | |
20 | 01602-00825 | WASHER | 10554- | |
21 | 01580-00806 | NUT | 10554- | |
22 | 01100-41260 | STUD | 10554- | |
23 | 01602-01236 | WASHER | 10554- | |
24 | 01582-01210 | NUT | 10554- | |
25 | 6110-21-1130 | SPACER | 10554- | |
26 | 6110-23-1442 | BUSHING | 10554- | |
26A | 6110-23-4920 | PLUG | 10777- | |
29 | 6140-61-6512 | VALVE | 10554- |