
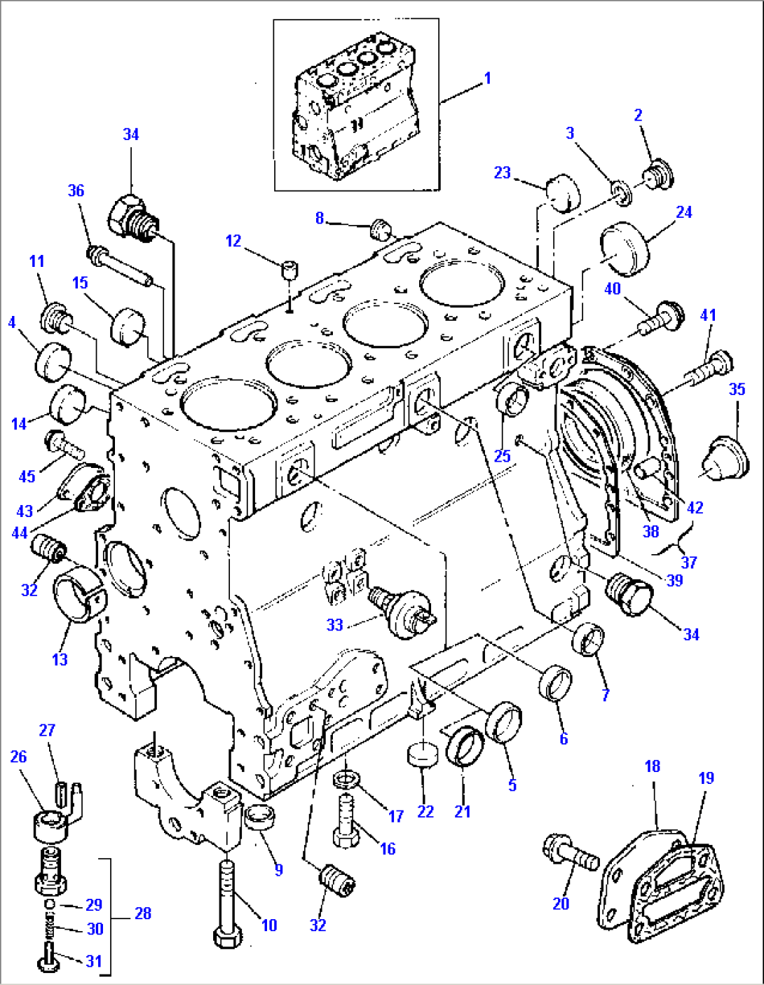
| Item | Part No. | Part Name | Qty | Serial No. |
| 1 | 6810-21-1500 | KIT, CYLINDER BLOCK | ||
| 2 | 6810-21-1540 | PLUG | ||
| 3 | 6810-21-1130 | WASHER | ||
| 4 | 6810-21-1550 | PLUG | ||
| 5 | 6810-21-1160 | PLUG | ||
| 6 | 6810-21-1170 | PLUG | ||
| 7 | 6810-21-1160 | PLUG | ||
| 8 | 6810-21-1180 | PLUG | ||
| 9 | 6810-21-1190 | SLEEVE | ||
| 10 | 6810-21-1210 | BOLT | ||
| 11 | 6810-21-1560 | PLUG | ||
| 12 | 6810-21-1260 | PLUG | ||
| 13 | 6810-21-1570 | BUSHING | ||
| 14 | 6810-21-1240 | PLUG | ||
| 15 | 6810-21-1580 | PLUG | ||
| 16 | 6810-21-1410 | SCREW | ||
| 17 | 6810-21-1420 | SPACER | ||
| 18 | 6810-21-1520 | PLATE | ||
| 19 | 6810-51-5190 | GASKET | ||
| 20 | 6810-81-6140 | SCREW | ||
| 21 | 6810-21-1590 | PLUG | ||
| 22 | 6810-21-1460 | PLUG | ||
| 23 | 6810-21-1240 | PLUG | ||
| 24 | 6810-21-1610 | PLUG | ||
| 25 | 6810-21-1180 | PLUG | ||
| 26 | 6810-21-1630 | JET | ||
| 27 | 6810-21-1640 | PIN | ||
| 28 | 6810-21-1600 | VALVE | ||
| 29 | 6810-21-1650 | BALL | ||
| 30 | 6810-21-1660 | SPRING | ||
| 31 | 6810-21-1670 | RETAINER | ||
| 32 | 6810-21-1430 | PLUG | ||
| 33 | 6810-51-4170 | OIL PRESSURE TRANSMITTER | ||
| 34 | 6810-21-1460 | PLUG | ||
| 35 | 6810-21-1450 | PLUG | ||
| 36 | 6810-21-1250 | PLUG | ||
| 37 | 6810-21-1291 | HOUSING | ||
| 38 | 6810-21-1310 | SEAL, OIL | ||
| 39 | 6810-21-3311 | GASKET | ||
| 40 | 6810-21-1330 | BOLT | ||
| 41 | 6810-21-1510 | SCREW | ||
| 42 | 6810-21-1360 | DOWEL | ||
| 43 | 6810-21-1620 | PLATE | ||
| 44 | 6810-21-1380 | GASKET | ||
| 45 | 6810-21-1390 | SCREW |
