
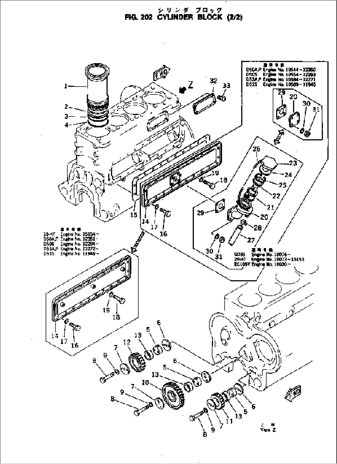
| Item | Part No. | Part Name | Qty | Serial No. |
| (6115-20-1002) | CYLINDER BLOCK A. | 10841- | ||
| \0\6115-20-1001 | CYLINDER BLOCK A. | 10490-10840 | ||
| \0\6114-20-1002 | CYLINDER BLOCK A. | 10260-10489 | ||
| \0\6114-20-1001 | CYLINDER BLOCK A. | 10030-10259 | ||
| (\2\6114-20-1000) | CYLINDER BLOCK A. | (10030-10066) | ||
| 1 | 6115-21-2211 | LINER | 10841- | |
| \0\6115-21-2210 | LINER | 10490-10840 | ||
| \0\6114-21-2211 | LINER | 10030-10489 | ||
| (\2\6114-21-2210) | LINER | (10030-10066) | ||
| 2 | 6610-21-2240 | SEAL (K2) | 10030- | |
| 3 | 6610-21-2221 | O-RING (K2) | 10030- | |
| 4 | 6610-21-2250 | O-RING (K2) | 10030- | |
| 5 | 6110-23-2311 | SHAFT | 10030- | |
| 6 | 6110-23-2320 | PLATE | 10030- | |
| 7 | 6110-23-2340 | PLATE | 10030- | |
| 8 | 6114-21-2330 | BOLT | 10030- | |
| 9 | 01643-31232 | WASHER | 10030- | |
| 6112-33-6300 | GEAR ASS'Y,CENTER | 10030- | ||
| 6112-33-6400 | GEAR ASS'Y,L.H. | 10030- | ||
| 6112-33-6500 | GEAR ASS'Y,R.H. | 10030- | ||
| 10 | \6\ | GEAR,CENTER | 10030- | |
| 11 | \6\ | GEAR,L.H. | 10030- | |
| 12 | \6\ | GEAR,R.H. | 10030- | |
| 13 | 6110-33-6120 | BUSHING | 10030- | |
| 14 | 6110-23-6611 | COVER | 10030- | |
| 15 | 6110-21-6621 | GASKET (K2) | 10030- | |
| 16 | 01010-30814 | BOLT | 10030- | |
| 17 | 6110-21-6630 | WASHER | 10030- | |
| 18 | 01010-30818 | BOLT | 10030- | |
| 19 | 01602-00825 | WASHER | 10030- | |
| 6112-21-7000 | BREATHER ASS'Y | 10030- | ||
| 20 | 6112-21-7110 | FILLER | 10030- | |
| 21 | 6110-23-7120 | ELEMENT | 10030- | |
| 22 | 6110-23-7190 | STRAINER | 10030- | |
| 23 | 6110-23-7140 | CAP | 10030- | |
| 24 | 6110-23-7180 | GASKET (K2) | 10030- | |
| 25 | 6110-23-7130 | RING | 10030- | |
| 26 | 6110-23-7170 | CHAIN | 10030- | |
| 27 | 6114-25-7210 | HOSE | 10030- | |
| 28 | 07280-03826 | CLAMP | 10030- | |
| 29 | 6110-21-7820 | GASKET (K2) | 10030- | |
| 30 | 01602-01030 | WASHER | 10030- | |
| 31 | 01582-01008 | NUT | 10030- | |
| 32 | 6114-81-2110 | PLATE¤ NAME,(LIMITED SUPPLY) | 10030- | |
| 33 | 04418-03060 | SCREW | 10030- |
