
| Item | Part No. | Part Name | Qty | Serial No. |
| 6130-22-1200 | CYLINDER BLOCK ASS'Y | 40138- | ||
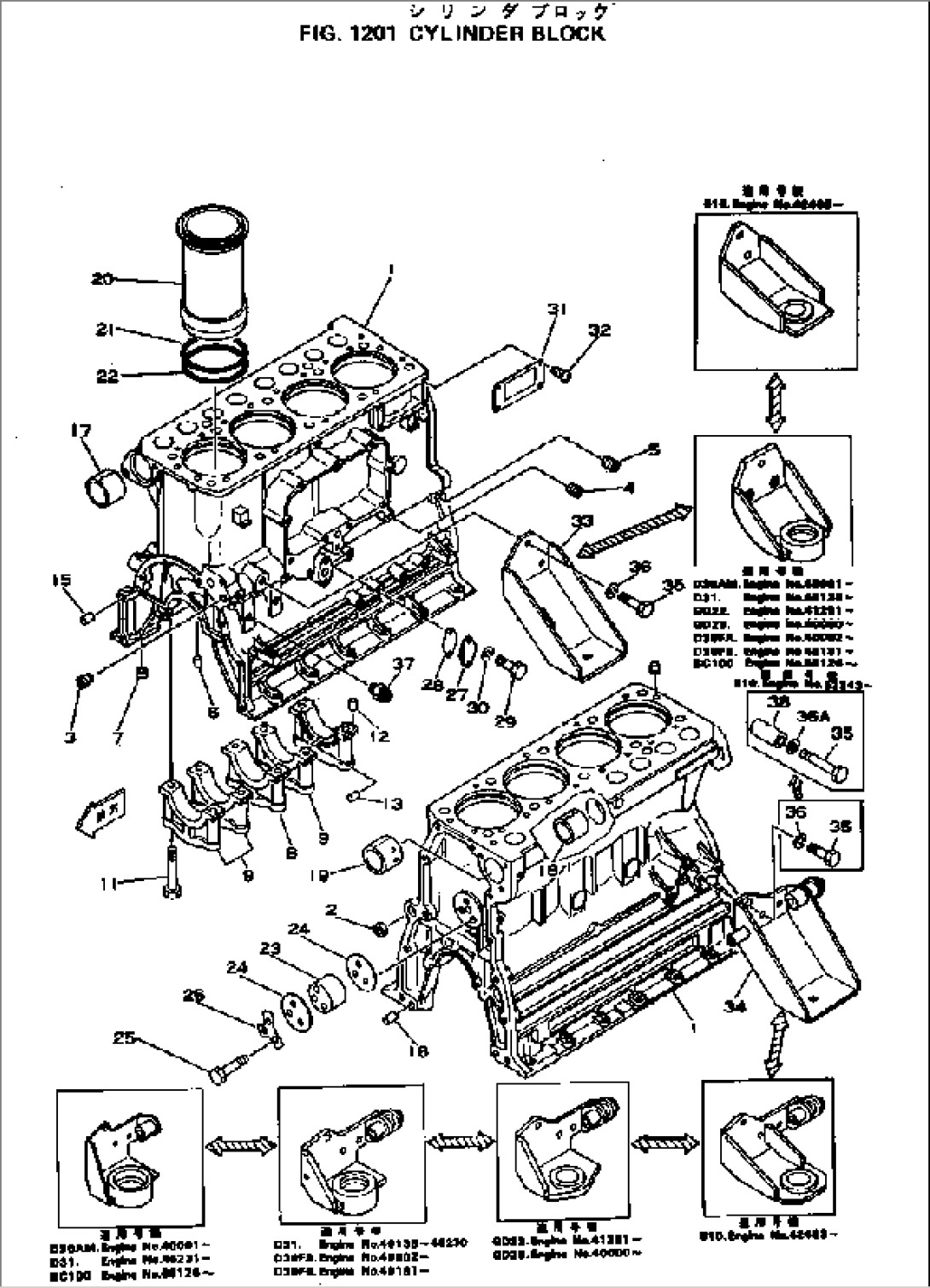
| 1 | \6\ | BLOCK,CYLINDER | 40138- | |
| 2 | 6130-11-1420 | PLUG | 40138- | |
| 3 | 07043-50415 | PLUG | .- | |
| 3 | \0\07042-00415 | PLUG | 40138-. | |
| 4 | 6100-21-1130 | PLUG | 40138- | |
| 5 | 6110-23-1170 | PLUG | 40138- | |
| 6 | 6130-22-1920 | PIN | 40138- | |
| 7 | 07046-21410 | PLUG | 40138- | |
| 8 | \5\6130-29-1240 | CAP,MAIN METAL | 40138- | |
| 9 | \5\6130-29-1220 | CAP,MAIN METAL | 40138- | |
| 10 | \5\6130-29-1260 | CAP,MAIN METAL | 40138- | |
| 11 | 6130-22-1710 | BOLT | 40138- | |
| 12 | 04020-00514 | PIN,DOWEL | 40138- | |
| 13 | 6130-21-1262 | PIN,DOWEL | 44283- | |
| 13 | \0\6130-21-1260 | PIN,DOWEL | 40138-44282 | |
| 14 | 6130-22-1910 | PIN,GROOVE | 40138- | |
| 15 | 04020-01024 | PIN,DOWEL | 40138- | |
| 16 | 04020-01434 | PIN,DOWEL | 40138- | |
| 17 | 6130-21-1410 | BUSHING,CAMSHAFT | 40138- | |
| 18 | 6130-21-1420 | BUSHING,CAMSHAFT | 40138- | |
| 19 | 6130-21-1430 | BUSHING,CAMSHAFT | 40138- | |
| 20 | 6130-22-2310 | LINER,CYLINDER | 40138- | |
| 21 | 6130-21-2220 | O-RING (K2) | 40138- | |
| 22 | 6130-21-2230 | O-RING (K2) | 40138- | |
| 23 | 6130-21-2410 | SHAFT,IDLE | 40138- | |
| 24 | 6130-21-2420 | PLATE,THRUST | 40138- | |
| 25 | 01010-61265 | BOLT | 40138- | |
| 26 | 6130-21-2430 | PLATE,LOCK (K2) | 40138- | |
| 27 | 6130-21-6220 | PLATE | 40138- | |
| 28 | 6130-21-6231 | GASKET (K2) | 40138- | |
| 29 | 01010-30822 | BOLT | 40138- | |
| 30 | 01602-00825 | WASHER,SPRING | 40138- | |
| 31 | 09605-01130 | PLATE, NAME,(LIMITED SUPPLY) | 40138- | |
| 32 | 04418-02550 | SCREW | 40138- | |
| 33 | 6130-22-3731 | BRACKET,FRONT, L.H. | 46231- | |
| 33 | \0\6130-22-3730 | BRACKET,FRONT, L.H. | 40138-46230 | |
| 34 | 6130-22-3741 | BRACKET,FRONT, R.H. | 46231- | |
| 34 | \3\6130-22-3740 | BRACKET,FRONT, R.H. | 40138-46230 | |
| (6130-22-3741,6130-22-3940) | ||||
| 35 | 01010-31230 | BOLT | 40138- | |
| 36 | 01602-01236 | WASHER,SPRING | 40138- |
