
| Item | Part No. | Part Name | Qty | Serial No. |
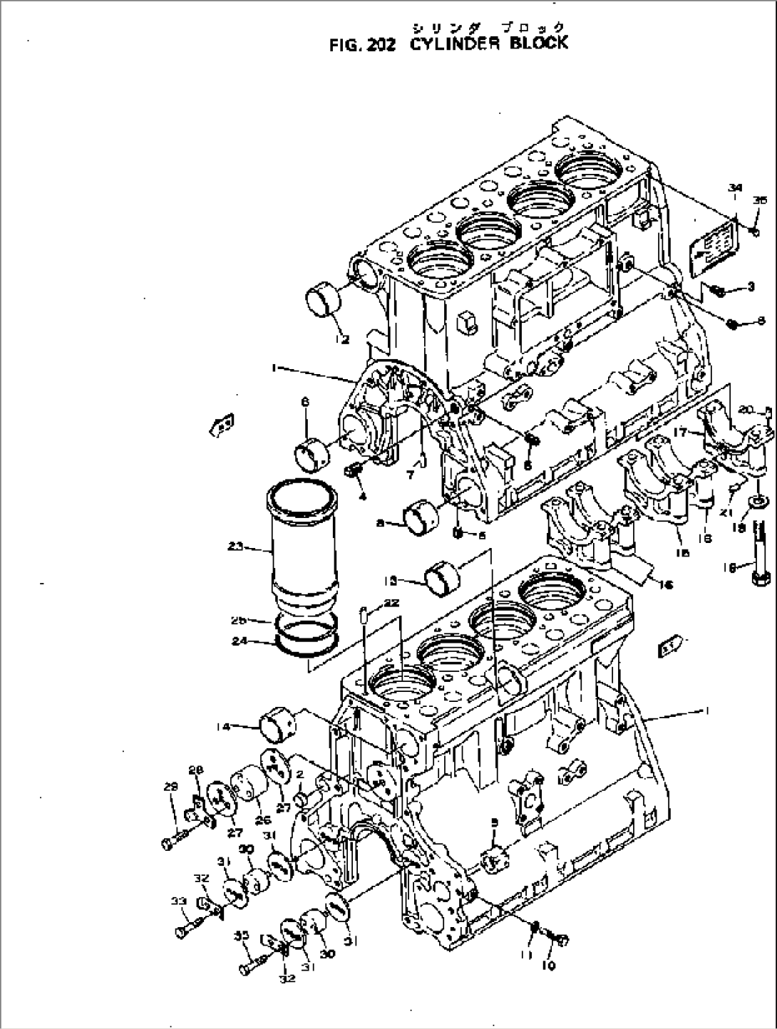
| 6130-21-1001 | CYLINDER BLOCK ASS'Y | 19078- | ||
| 6130-21-1302 | CYLINDER BLOCK A. | 19078- | ||
| 1 | \6\ | BLOCK,CYLINDER | 19078- | |
| 2 | 6130-11-1420 | PLUG | 19078- | |
| 3 | 07042-00211 | PLUG | 19078- | |
| 4 | 07042-00415 | PLUG | 19078- | |
| 5 | 6100-21-1130 | PLUG | 19078- | |
| 6 | 6110-23-1170 | PLUG | 19078- | |
| 7 | 04025-00324 | PIN | 19078- | |
| 8 | 6110-23-1442 | BUSHING | 19078- | |
| 9 | 6130-21-1513 | BUSHING,OIL PUMP | 19078- | |
| 10 | 6130-21-1130 | BOLT | 19078- | |
| 11 | 07005-01012 | GASKET (K2) | 19078- | |
| 12 | 6130-21-1410 | BUSHING,CAMSHAFT | 19078- | |
| 13 | 6130-21-1420 | BUSHING,CAMSHAFT | 19078- | |
| 14 | 6130-21-1430 | BUSHING,CAMSHAFT | 19078- | |
| 15 | 6130-21-1231 | CAP,MAIN METAL | 19078- | |
| 16 | 6130-21-1211 | CAP,MAIN METAL | 19078- | |
| 17 | 6130-21-1252 | CAP,MAIN METAL | 19078- | |
| 18 | 6130-21-1710 | BOLT | 19078- | |
| 19 | 6130-21-1750 | WASHER | 19078- | |
| 20 | 04020-00514 | PIN,DOWEL | 19078- | |
| 21 | 6130-21-1262 | PIN,DOWEL | .- | |
| 21 | \0\6130-21-1260 | PIN,DOWEL | 19078-. | |
| 22 | 6130-21-1910 | PIN,DOWEL | 19078- | |
| 23 | 6130-21-2213 | LINER,CYLINDER | 19078- | |
| 24 | 6130-21-2220 | O-RING,LOWER (K2) | 19078- | |
| 25 | 6130-21-2230 | O-RING,UPPER (K2) | 19078- | |
| 26 | 6130-21-2410 | SHAFT | 19078- | |
| 27 | 6130-21-2420 | PLATE | 19078- | |
| 28 | 6130-21-2430 | PLATE,LOCK (K2) | 19078- | |
| 29 | 01010-61265 | BOLT | 19078- | |
| 30 | 6130-21-2510 | SHAFT | 19078- | |
| 31 | 6130-21-2520 | PLATE | 19078- | |
| 32 | 6130-21-2530 | PLATE,LOCK (K2) | 19078- | |
| 33 | 01010-31055 | BOLT | 19078- | |
| 34 | 09605-01080 | PLATE, NAME,(LIMITED SUPPLY) | 19078- | |
| 35 | 04418-02550 | SCREW | 19078- |
