
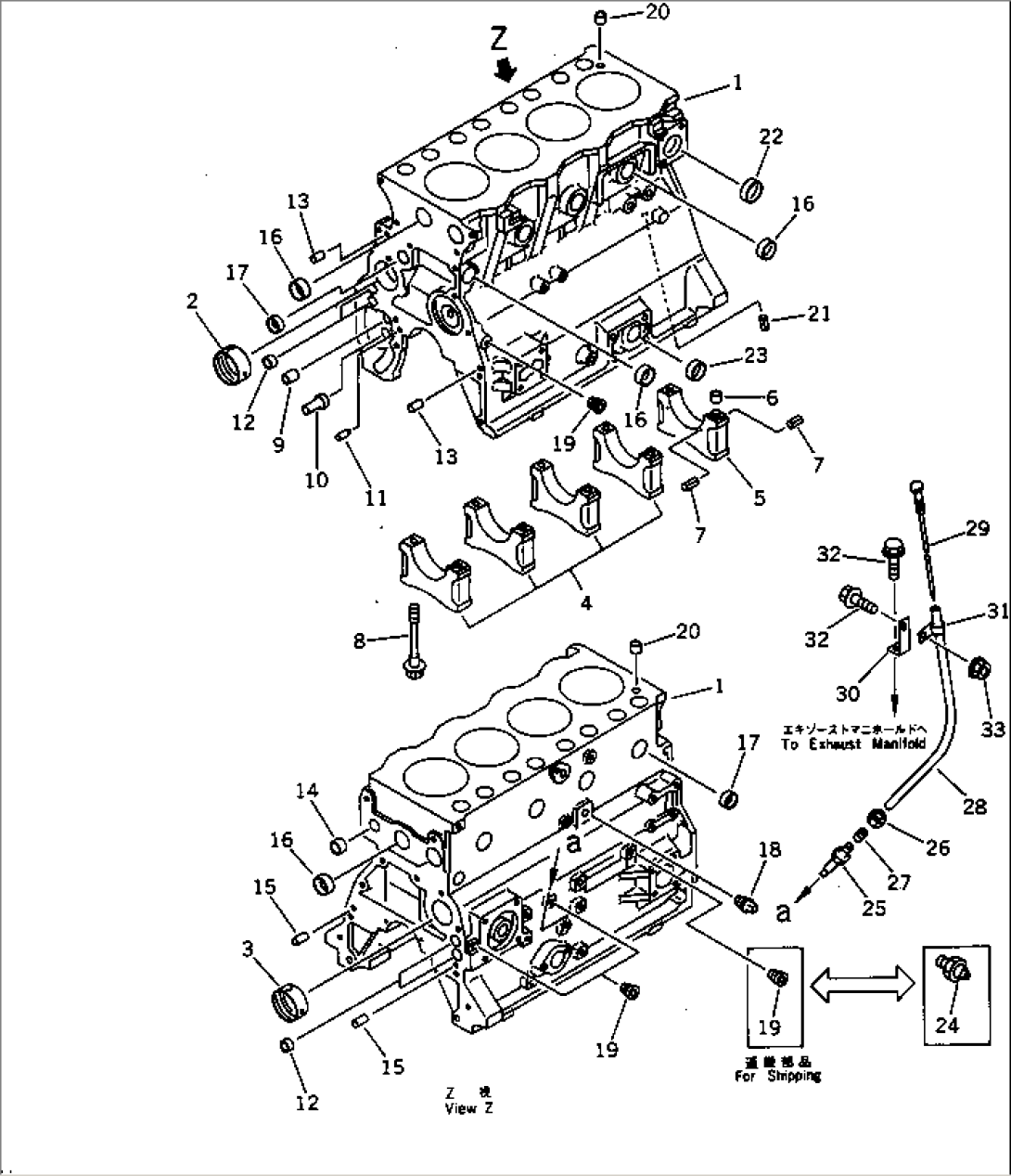
| Item | Part No. | Part Name | Qty | Serial No. |
| 6205-21-1401 | CYLINDER BLOCK ASS'Y | 48797- | ||
| 1 | \6\ | BLOCK,CYLINDER | 48797- | |
| 2 | 6204-21-1410 | BUSHING,CAMSHAFT | 48797- | |
| 3 | 6206-21-1420 | BUSHING,CAMSHAFT | 48797- | |
| 4 | \5\6204-29-1210 | CAP,MAIN METAL, NO.1,2,3,4 | 48797- | |
| 5 | \5\6204-29-1220 | CAP,MAIN METAL, NO.5 | 48797- | |
| 6 | 6141-21-1530 | RING,DOWEL | 48797- | |
| 7 | 04025-00408 | PIN,SPRING | 48797- | |
| 8 | 6204-21-1610 | BOLT | 48797- | |
| 9 | 6204-51-1711 | BUSHING,OIL PUMP | 48797- | |
| 10 | 6204-51-1620 | SHAFT,OIL PUMP | 48797- | |
| 11 | 6136-52-1620 | PIN,DOWEL, OIL PUMP | 48797- | |
| 12 | 07046-41810 | PLUG,EXPANSION | 48797- | |
| 13 | 04020-00820 | PIN,DOWEL | 48797- | |
| 14 | 07046-42216 | PLUG | 48797- | |
| 15 | 04020-01228 | PIN,DOWEL | 48797- | |
| 16 | 07046-43016 | PLUG,EXPANSION | 48797- | |
| 17 | 07046-42516 | PLUG,EXPANSION | 48797- | |
| 18 | 07042-10312 | PLUG | 48797- | |
| 19 | 07043-50108 | PLUG | 48797- | |
| 20 | 6140-21-1130 | BUSHING,DOWEL | 48797- | |
| 21 | 6207-21-1190 | PIN,ROLL | 48797- | |
| 22 | 07046-44016 | PLUG | 48797- | |
| 23 | 07046-23016 | PLUG | 48797- | |
| 24 | (08073-00505) | SWITCH | 48797- | |
| 25 | 6204-21-5510 | GUIDE,BASE | 48797- | |
| 26 | 6150-21-5930 | NUT | 48797- | |
| 27 | 6150-21-5920 | COLLAR | 48797- | |
| 28 | 6205-21-5430 | GUIDE,OIL GAUGE | 48797- | |
| 29 | 6205-21-5360 | GAUGE,OIL | 48797- | |
| 30 | 6205-21-5740 | BRACKET | 48797- | |
| 31 | 6206-21-5520 | CLIP | 48797- | |
| 32 | 01435-21020 | BOLT | 48797- | |
| 33 | 01584-01008 | NUT | 48797- |
