
| Item | Part No. | Part Name | Qty | Serial No. |
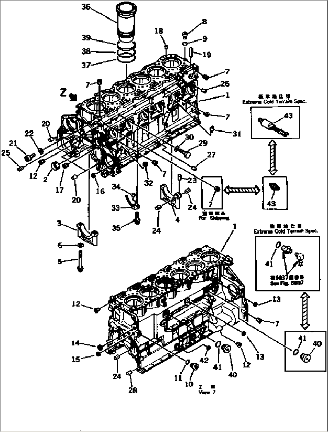
| 6151-25-1301 | CYLINDER BLOCK ASS'Y | 45024- | ||
| \1\6151-21-1103 | CYLINDER BLOCK ASS'Y | 35323-45023 | ||
| 1 | \6\ | BLOCK | 45024- | |
| \6\ | BLOCK,CYLINDER | 35323-45023 | ||
| 2 | \5\6150-29-1490 | BUSHING,CAMSHAFT | 35323- | |
| 3 | \5\6150-29-1210 | CAP,MAIN METAL¤ NO.1¤2¤3¤4¤5¤6 | 35323- | |
| 4 | 6150-21-1250 | CAP,MAIN METAL¤ NO.7 | 35323- | |
| 5 | 6150-21-1710 | BOLT | 35323- | |
| 6 | 01643-31645 | WASHER | 35323- | |
| 7 | 07043-50108 | PLUG | 35323- | |
| 8 | 07040-12414 | PLUG | 35323- | |
| 9 | 07002-22434 | O-RING (K2) | 35323- | |
| 10 | 07040-13016 | PLUG | 35323- | |
| 11 | 07002-23034 | O-RING (K2) | 35323- | |
| 12 | 07043-50617 | PLUG | 35323- | |
| 13 | 07046-43016 | PLUG | 35323- | |
| 14 | 07046-44016 | PLUG | 35323- | |
| 15 | 07046-22516 | PLUG | 35323- | |
| 16 | 07046-21210 | PLUG | 35323- | |
| 17 | 07043-50211 | PLUG | 35323- | |
| 18 | 04020-00820 | PIN,DOWEL | 35323- | |
| 19 | 6150-21-1170 | TUBE | 35323- | |
| 20 | 6150-41-2430 | PIN | 35323- | |
| 21 | 6110-53-5910 | PLUG | 35323- | |
| 22 | 07005-01412 | GASKET (K2) | 35323- | |
| 23 | 04020-00514 | PIN,DOWEL | 35323- | |
| 24 | 04025-00408 | PIN,SPRING | 35323- | |
| 25 | 04025-00512 | PIN,SPRING | 35323- | |
| 26 | 6150-41-2430 | PIN | 35323- | |
| 27 | 04020-01024 | PIN,DOWEL | 35323- | |
| 28 | 6150-21-4770 | PIN,DOWEL | 35323- | |
| 29 | 01050-51012 | BOLT | 35323- | |
| 30 | 07005-01012 | GASKET (K2) | 35323- | |
| 31 | 6150-21-5910 | BUSHING | 35323- | |
| 32 | 07046-22010 | PLUG | 35323- | |
| 33 | 6151-21-1840 | NOZZLE,PISTON COOLING | 35323- | |
| 34 | 6151-21-1851 | PIN | 35323- | |
| 35 | 6150-81-9230 | BOLT | 35323- | |
| 36 | 6151-21-2220 | LINER,CYLINDER | 35323- | |
| 37 | 6150-21-2230 | O-RING,LOWER (K2) | 35323- | |
| 38 | 6150-21-2240 | O-RING,UPPER (K2) | 35323- | |
| 39 | 6150-21-2250 | SEAL,CREVICE (K2) | 35323- | |
| 40 | 6150-21-1180 | PLUG | 35323- | |
| 6150-21-1180 | PLUG,(B) | 47234- | ||
| 41 | 6150-21-1190 | O-RING (K2) | 35323- | |
| 6151-21-1190 | O-RING,(B) | 47234- | ||
| 42 | 07046-42816 | PLUG | 35323- | |
| 43 | 08073-10505 | SWITCH | 47235- | |
| \0\08073-00505 | SWITCH | 35323-47234 | ||
| 600-815-1391 | SWITCH,OIL PRESSURE¤ (B) | 47234- |
