
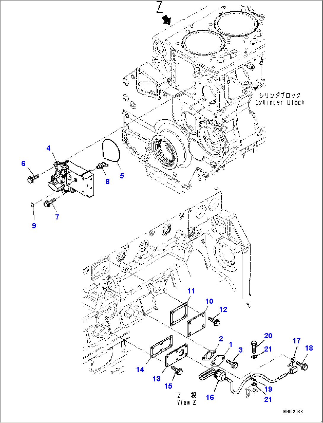
| Item | Part No. | Part Name | Qty | Serial No. |
| 1 | 6162-23-6530 | Plate | 610861- | |
| 2 | 6127-51-6822 | Gasket | 610861- | |
| 3 | 01435-01020 | Bolt | 610861- | |
| 4 | 6245-81-6130 | Block | 610861- | |
| 5 | 07000-72115 | O-ring | 610861- | |
| 6 | 01435-01235 | Bolt | 610861- | |
| 7 | 01435-01250 | Bolt | 610861- | |
| 8 | 07020-00675 | Fitting, Grease | 610861- | |
| 9 | 07000-72014 | O-ring | 610861- | |
| 10 | 6240-21-1960 | Plate | 610861- | |
| 11 | 6210-21-1971 | Gasket | 610861- | |
| 12 | 01435-01020 | Bolt | 610861- | |
| 13 | 6162-63-6630 | Plate | 610861- | |
| 14 | 6162-63-6731 | Gasket | 610861- | |
| 15 | 01435-00820 | Bolt | 610861- | |
| 16 | 600-815-9350 | Heater, Block | 610861- | |
| 17 | 08193-20010 | Clip | 610861- | |
| 18 | 01435-01020 | Bolt | 610861- | |
| 19 | 600-051-2080 | Clip | 610861- | |
| 20 | 01010-81025 | Bolt | 610861- | |
| 21 | 01643-31032 | Washer | 610861- |
