
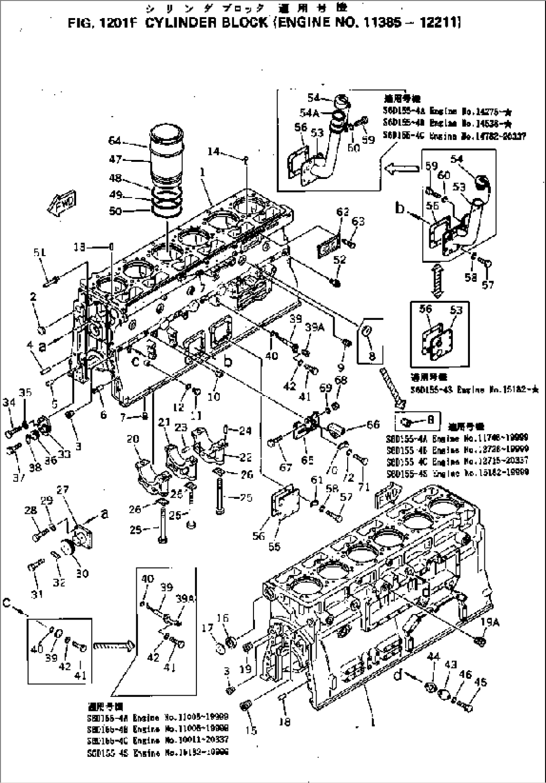
| Item | Part No. | Part Name | Qty | Serial No. |
| 6127-21-1016 | CYLINDER BLOCK A. | 11644-12211 | ||
| 6128-21-1012 | CYLINDER BLOCK ASS'Y | 11385-11643 | ||
| 6127-21-1105 | CYLINDER BLOCK A. | 11644-12211 | ||
| 6127-21-1104 | CYLINDER BLOCK A. | 11385-11643 | ||
| 1 | \6\ | BLOCK | 11644-12211 | |
| \6\ | BLOCK | 11385-11643 | ||
| 2 | 07046-15020 | PLUG | 11385-12211 | |
| 3 | 07043-00415 | PLUG | 11385-12211 | |
| 4 | 04020-01842 | PIN | 11385-12211 | |
| 5 | 04020-00820 | PIN | 11385-12211 | |
| 6 | 6127-21-1180 | PIN | 11385-12211 | |
| 7 | 6100-21-1130 | PLUG | 11385-12211 | |
| 8 | 07046-16020 | PLUG | 11385-12211 | |
| 9 | 07043-01019 | PLUG | 11385-12211 | |
| 10 | 6110-23-1170 | PLUG | 11385-12211 | |
| 11 | 07040-11409 | PLUG | 11385-12211 | |
| 12 | 07003-01419 | GASKET (K2) | 11385-12211 | |
| 13 | 04020-01024 | PIN | 11385-12211 | |
| 14 | 6127-21-1130 | ORIFICE | 11385-12211 | |
| 15 | 07043-01422 | PLUG | 11385-12211 | |
| 16 | 6127-21-1490 | BUSHING | 11385-12211 | |
| 17 | 6127-21-1150 | PLUG | 11385-12211 | |
| 18 | 6127-21-1160 | PIN | 11385-12211 | |
| 19 | 07043-01019 | PLUG | 11385-12211 | |
| 19A | 07043-01222 | PLUG | 11385-12211 | |
| 20 | \5\6127-29-1230 | CAP | 11385-12211 | |
| 6127-21-1022 | MAIN METAL CAP A. | 11385-12211 | ||
| 21 | \5\6127-29-1210 | CAP | 11385-12211 | |
| 22 | \5\6127-29-1252 | CAP | 11385-12211 | |
| 23 | 6127-21-1260 | PIN | 11385-12211 | |
| 24 | 04020-00616 | PIN | 11385-12211 | |
| 25 | 6127-21-1710 | BOLT | 11385-12211 | |
| 26 | 6127-21-1741 | WASHER | 11385-12211 | |
| \0\6127-21-1740 | LOCK (K2) | 11385-12211 | ||
| 27 | 6127-21-2510 | SHAFT | 11385-12211 | |
| 28 | 01010-31230 | BOLT | 11385-12211 | |
| 29 | 01650-21212 | WASHER (K2) | 11385-12211 | |
| 30 | 6127-21-2520 | PLATE | 11385-12211 | |
| 31 | 01050-31025 | BOLT | 11385-12211 | |
| 32 | 6127-21-2530 | LOCK (K2) | 11385-12211 | |
| 33 | 6127-21-2412 | SHAFT | 11385-12211 | |
| 34 | 01010-31035 | BOLT | 11385-12211 | |
| 35 | 01650-21012 | WASHER (K2) | 11385-12211 | |
| 36 | 6127-21-2421 | PLATE | 11385-12211 | |
| 37 | 01050-61025 | BOLT | 11385-12211 | |
| 38 | 6127-21-2431 | LOCK (K2) | 11385-12211 | |
| 6127-21-1082 | NOZZLE ASS'Y,NO.1¤2¤3 | 11385-12211 | ||
| 6127-21-1092 | NOZZLE ASS'Y,NO.4¤5¤6 | 11385-12211 | ||
| 39 | \6\ | NOZZLE,NO.1¤2¤3 | 11385-12211 | |
| \6\ | NOZZLE,NO.4¤5¤6 | 11385-12211 | ||
| 39A | 6100-21-1130 | PLUG | 11532-12211 | |
| 6100-21-1130 | PLUG | 11385-11531 | ||
| 40 | 07000-62016 | O-RING (K2) | 11775-12211 | |
| 07000-02016 | O-RING | 11385-11774 | ||
| 41 | 01010-30818 | BOLT | 11385-12211 | |
| 42 | 01602-00825 | WASHER | 11385-12211 | |
| 43 | 6127-21-6710 | COVER | 11385-12211 | |
| 44 | 6127-21-6720 | GASKET (K2) | 11710-12211 | |
| 45 | 01010-31025 | BOLT | 11710-12211 | |
| 46 | 01602-01030 | WASHER | 11710-12211 | |
| 47 | 6128-21-2212 | LINER | 11710-12211 | |
| 6128-29-2210 | LINER | 11385-11709 | ||
| (\2\6128-21-2211) | LINER | (11385-11709) | ||
| 48 | 6127-21-2250 | SEAL (K2) | 11710-12211 | |
| 6127-21-2221 | O-RING (K2) | 11385-11709 | ||
| (\2\6127-21-2220) | O-RING | (11385-11709) | ||
| 49 | 6127-21-2221 | O-RING (K2) | 11385-12211 | |
| (\2\6127-21-2220) | O-RING | (11385-11709) | ||
| 50 | 6127-21-2241 | O-RING (K2) | 11385-12211 | |
| (\2\6127-21-2220) | O-RING | (11385-11709) | ||
| 51 | 6127-21-1170 | SPRAY | 11385-12211 | |
| 52 | 07213-31013 | CONNECTOR | 11385-12211 | |
| 53 | 6127-21-7111 | FILLER | 11385-12211 | |
| 6127-21-7210 | FILLER,(A) | 11385-12211 | ||
| 55 | 6127-21-6511 | COVER | 11385-12211 | |
| 56 | 6127-21-6521 | GASKET (K2) | 11385-12211 | |
| 57 | 01010-30825 | BOLT | 11385-12211 | |
| 58 | 01602-00825 | WASHER | 11385-12211 | |
| 62 | 09605-00040 | PLATE¤ NAME,(LIMITED SUPPLY) | .-12211 | |
| 09605-00000 | PLATE¤ NAME,(LIMITED SUPPLY) | 11385-. | ||
| 6127-81-1110 | PLATE¤ NAME,(GREEK)(LIMITED SUPPLY) | .-12211 | ||
| 63 | 04418-03060 | SCREW | 11385-12211 | |
| 64 | 6127-29-2230 | SHIM¤ 0.18MM | 11385-12211 | |
| 6127-28-2230 | SHIM¤ 0.20MM | 11385-12211 | ||
| 6127-27-2230 | SHIM¤ 0.23MM | 11385-12211 | ||
| 6127-26-2230 | SHIM¤ 0.51MM | 11385-12211 | ||
| 6127-25-2230 | SHIM¤ 0.79MM | 11385-12211 | ||
| 6127-24-2230 | SHIM¤ 1.57MM | 11385-12211 | ||
| 65 | 6127-21-6110 | BRACKET | 11385-12211 | |
| 66 | 6127-21-6210 | BRACKET | 11385-12211 | |
| 67 | 01050-31645 | BOLT | 11385-12211 | |
| 01000-31645 | BOLT | 11385-12211 | ||
| 68 | 01582-01613 | NUT | 11385-12211 | |
| 69 | 01602-01648 | WASHER | 11385-12211 | |
| 70 | 6127-21-6920 | CLIP | 11385-12211 | |
| 71 | 01010-31235 | BOLT | 11385-12211 | |
| 72 | 01602-01236 | WASHER | 11385-12211 |
