
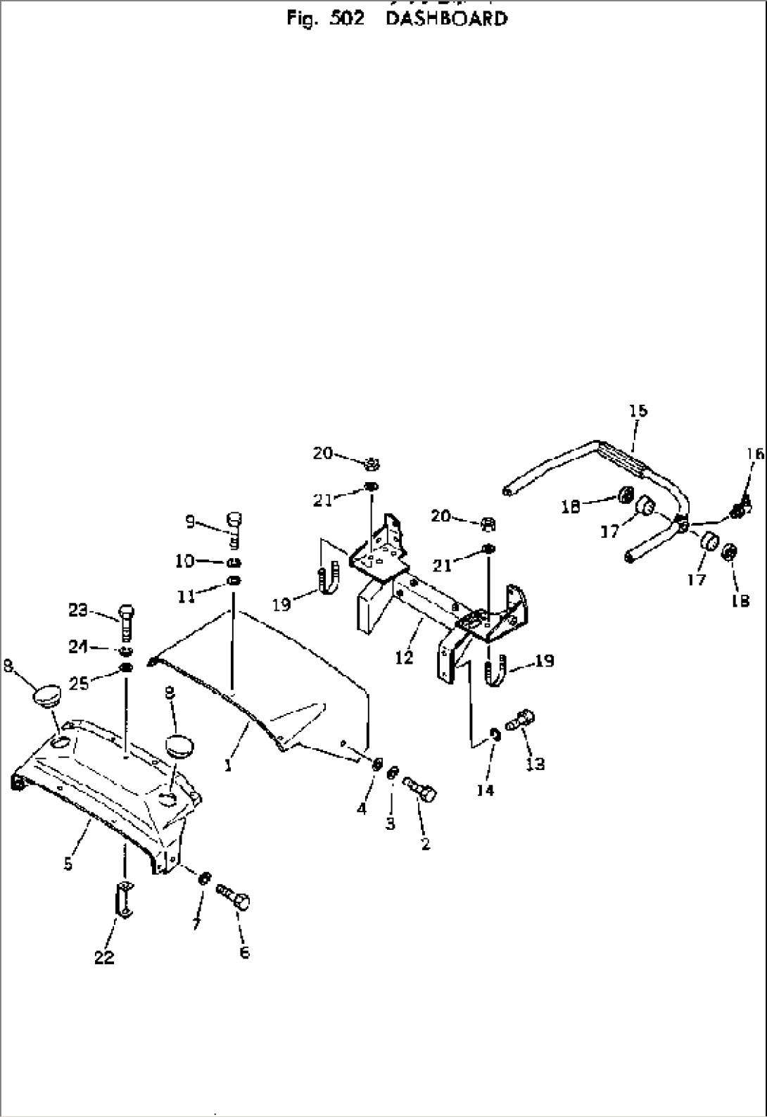
| Item | Part No. | Part Name | Qty | Serial No. |
| 1 | 141-54-31342 | COVER | 45001- | |
| 2 | 01010-31225 | BOLT | 45001- | |
| 3 | 01602-01236 | WASHER | 45001- | |
| 4 | 01643-31232 | WASHER | 45001- | |
| 5 | 141-54-51210 | COVER | 45001- | |
| 6 | 01010-31235 | BOLT | 45001- | |
| 7 | 01602-01236 | WASHER | 45001- | |
| 8 | 135-54-21430 | COVER | 45001- | |
| 9 | 01010-31225 | BOLT | 45001- | |
| 10 | 01602-01236 | WASHER | 45001- | |
| 11 | 01643-31232 | WASHER | 45001- | |
| 12 | 141-54-51410 | BRACKET | 45001- | |
| 13 | 01010-31425 | BOLT | 45001- | |
| 14 | 01602-01442 | WASHER | 45001- | |
| 15 | 141-54-51420 | HANDLE | 45001- | |
| 16 | 07020-00900 | FITTING | 45001- | |
| 17 | 06120-01612 | BEARING | 45001- | |
| 18 | 06122-01603 | SEAL | 45001- | |
| 19 | 07283-02738 | CLIP | 45001- | |
| 20 | 01599-01011 | NUT | 45001- | |
| 21 | 01643-31232 | WASHER | 45001- | |
| 22 | 141-54-31390 | BRACKET | 45001- | |
| 23 | 01010-31230 | BOLT | 45001- | |
| 24 | 01602-01236 | WASHER | 45001- | |
| 25 | 01643-31232 | WASHER | 45001- |
