
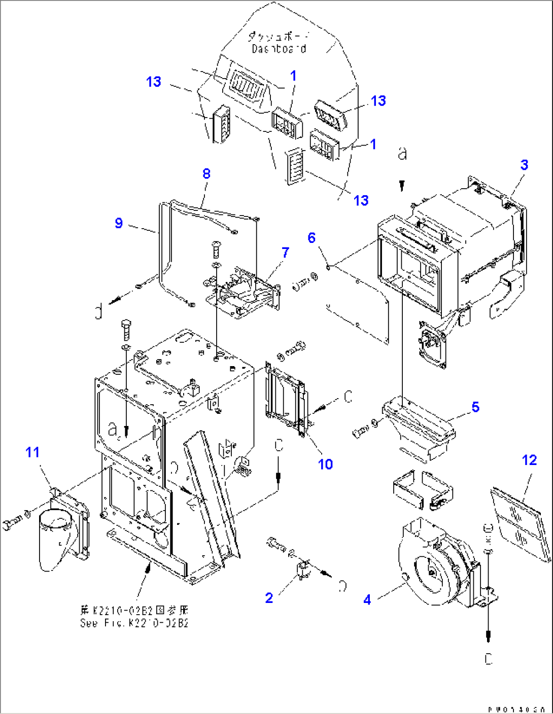
| Item | Part No. | Part Name | Qty | Serial No. |
| 1 | 17A-54-18270 | GRILLE ASS'Y | B30001- | |
| 2 | 205-979-6460 | RELAY ASS'Y | B30001- | |
| 3 | (17A-911-7410) | UNIT ASS'Y | B30001- | |
| 4 | (14X-911-7501) | BLOWER ASS'Y,(SEE FIG. K2210-53A1) | B30001- | |
| 5 | 14X-911-7611 | DUCT | B30001- | |
| 6 | 14X-911-7760 | COVER | B30001- | |
| 7 | 14X-911-7710 | CONTROL ASS'Y | B30001- | |
| 8 | 14X-911-7720 | CABLE | B30001- | |
| 9 | 14X-911-7730 | CABLE | B30001- | |
| 10 | 14X-911-7620 | DAMPER | B30001- | |
| 11 | 14X-911-7631 | DUCT | B30001- | |
| 12 | 14X-911-7741 | FILTER | B30001- | |
| 13 | 17A-54-18270 | GRILLE ASS'Y | B30001- |
