
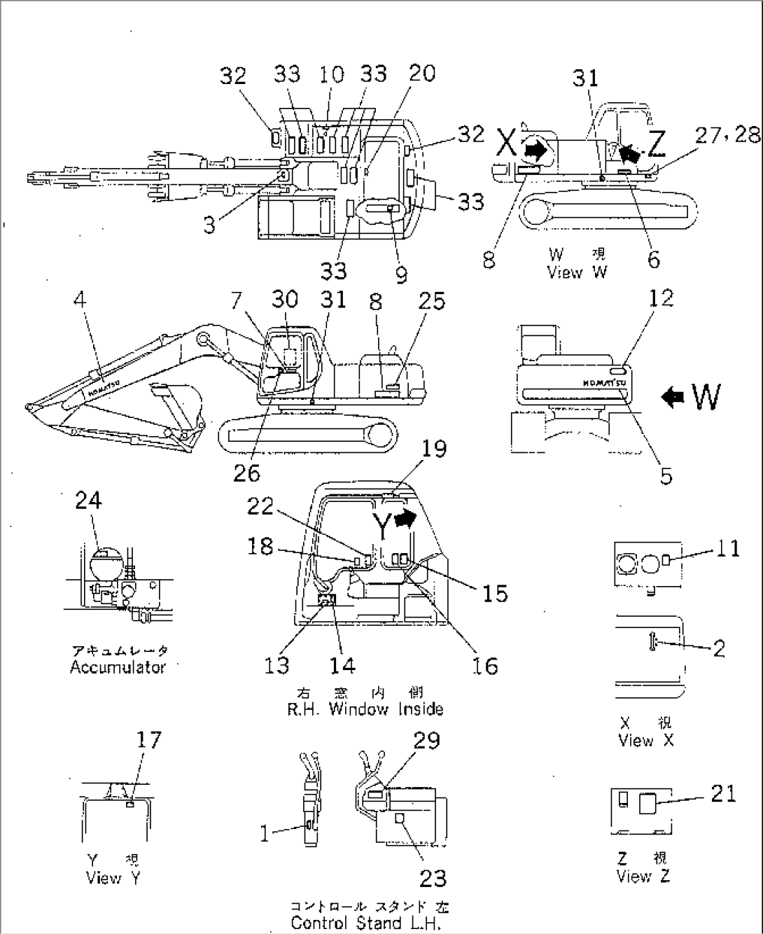
| Item | Part No. | Part Name | Qty | Serial No. |
| 1 | 09685-00001 | PLATE, OPERATING,SAFETY LOCK LEVER | 10001-@ | |
| 2 | 205-00-73360 | PLATE, OIL LEVEL,HYDRAULIC OIL LEVEL | 10001-@ | |
| 3 | 09690-M0063 | PLATE, MARK | 10001-@ | |
| 4 | 09690-B0630 | PLATE, MARK | 10001-@ | |
| 5 | 09690-B0710 | PLATE, MARK | 10001-@ | |
| 6 | 09690-B0315 | PLATE, MARK | 10001-@ | |
| 7 | 09690-F0315 | PLATE, MARK | 10001-@ | |
| 8 | 206-00-61150 | PLATE, MARK | 10001-@ | |
| 9 | 09668-09001 | PLATE, SAFETY | 10001-@ | |
| 10 | 09652-90131 | PLATE, CAUTION | 10001-@ | |
| 11 | 09653-09011 | PLATE, SAFETY | 10001-@ | |
| 12 | 20Y-00-21930 | PLATE, CAUTION | 10001-@ | |
| 13 | 20Y-00-21940 | PLATE | 10001-@ | |
| 14 | 20Y-00-21950 | PLATE | 10001-@ | |
| 15 | 09801-09000 | PLATE, SAFETY | 10001-@ | |
| 16 | 09651-09001 | PLATE, SAFETY | 10001-@ | |
| 17 | 09803-09000 | PLATE, SAFETY | 10001-@ | |
| 18 | 09654-09001 | PLATE, SAFETY | 10001-@ | |
| 19 | 203-916-5730 | PLATE, OPERATING | 10001-@ | |
| 20 | 20Y-00-21960 | PLATE | 10001-@ | |
| 21 | 20Y-00-21970 | PLATE | 10001-@ | |
| 22 | 09802-09000 | PLATE, SAFETY | 10001-@ | |
| 23 | 09657-09001 | PLATE, SAFETY | 10001-@ | |
| 24 | 09804-09000 | PLATE, CAUTION | 10001-10080 | |
| 25 | 20Y-00-21441 | PLATE, MIGHTY DECAL | 10001-@ | |
| 26 | 20Y-00-22450 | PLATE, MARK | 10001-@ | |
| 27 | (\7\09601-90835) | PLATE, NAME | 10001-@ | |
| 28 | 04418-13060 | SCREW | 10001-@ | |
| 29 | 09963-09000 | TAG | 10001-@ | |
| 30 | 20Y-00-21540 | PLATE | 10001-@ | |
| 31 | 09960-61012 | PLATE, MARK | 10001-@ | |
| 32 | 203-00-51170 | SEAT | 10001-@ | |
| 33 | 154-54-23260 | SEAT | 10001-@ |
