
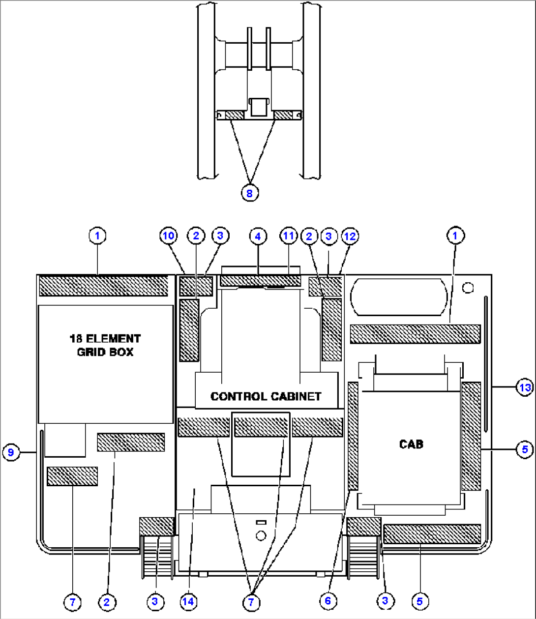
| Item | Part No. | Part Name | Qty | Serial No. |
| 1 | TY9255 | STRIP, ANTI - SLIP | ||
| 2 | TN8305 | STRIP, ANTI - SLIP | ||
| 3 | TY9258 | STRIP, ANTI - SLIP | ||
| 4 | EC7579 | STRIP, ANTI - SLIP | ||
| 5 | TY9256 | STRIP, ANTI - SLIP | ||
| 6 | EC1734 | STRIP, ANTI - SLIP | ||
| 7 | EC1733 | STRIP, ANTI - SLIP | ||
| 8 | TB5885 | STRIP, ANTI - SLIP | ||
| 9 | EJ2955 | DECK - R.H. | ||
| 10 | EJ5801 | DECK, REAR CENTER - R.H. | ||
| 11 | EB9388 | DECK, REAR CENTER CATWALK | ||
| 12 | EC1826 | DECK, REAR CENTER - L.H. | ||
| 13 | EK1361 | DECK - L.H. | ||
| 14 | EK2836 | DECK, CENTER |
