
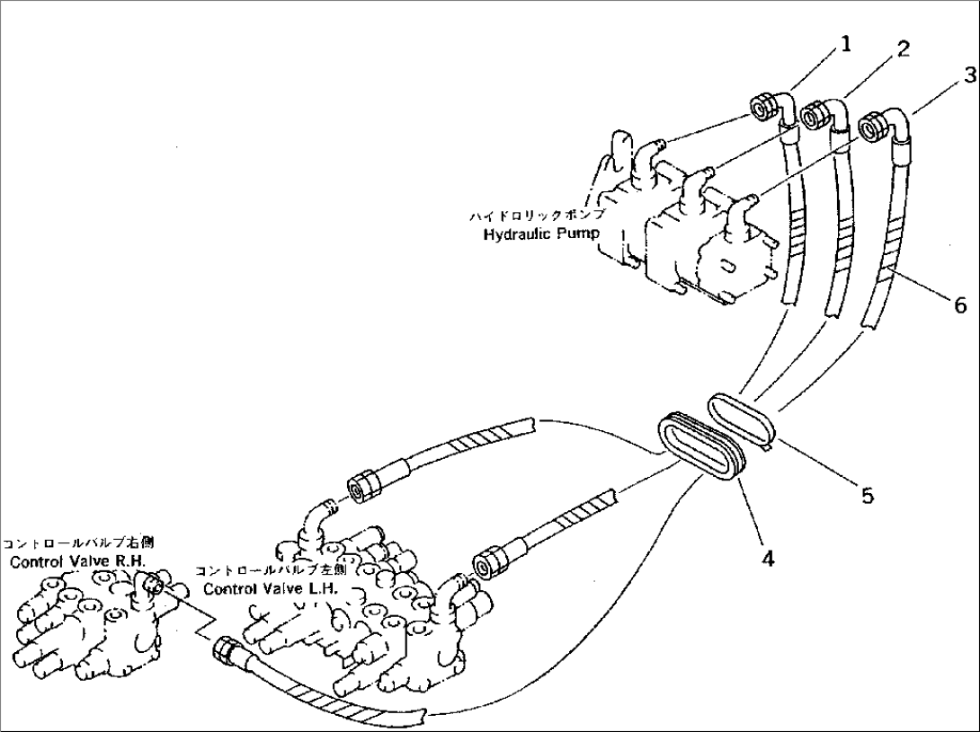
| Item | Part No. | Part Name | Qty | Serial No. |
| 1 | 21X-62-22510 | HOSE | 3001- | |
| 2 | 21X-62-22510 | HOSE | 3001- | |
| 3 | 21X-62-22520 | HOSE | 3001- | |
| 4 | 21X-62-21180 | GROMMET | 3001- | |
| 5 | 08034-00823 | BAND | 3001- | |
| 6 | 203-62-58650 | COVER | 3001- |

| Item | Part No. | Part Name | Qty | Serial No. |
| 1 | 21X-62-22510 | HOSE | 3001- | |
| 2 | 21X-62-22510 | HOSE | 3001- | |
| 3 | 21X-62-22520 | HOSE | 3001- | |
| 4 | 21X-62-21180 | GROMMET | 3001- | |
| 5 | 08034-00823 | BAND | 3001- | |
| 6 | 203-62-58650 | COVER | 3001- |