
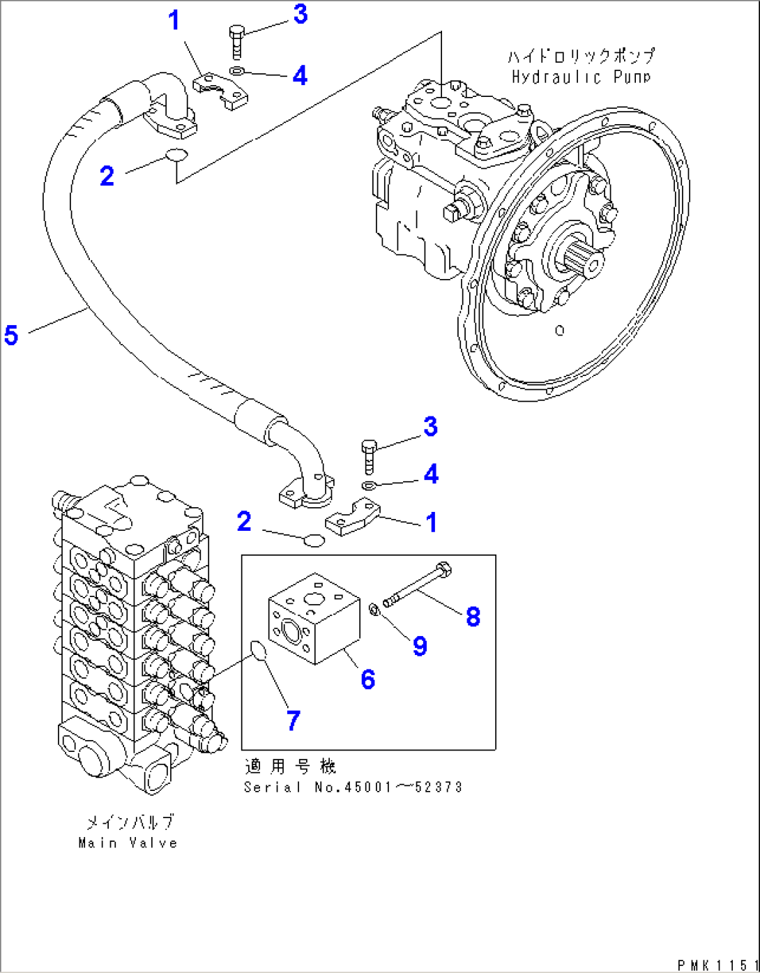
| Item | Part No. | Part Name | Qty | Serial No. |
| 1 | 07371-31049 | FLANGE,SPLIT | 45001- | |
| 2 | 07000-13032 | O-RING | 45001- | |
| 3 | 07372-21035 | BOLT | 45001- | |
| 4 | 01643-51032 | WASHER | 45001- | |
| 5 | 201-62-71111 | HOSE | 58001- | |
| 201-62-71110 | HOSE | 45001-58000 | ||
| 6 | 201-62-71861 | BLOCK | 45001-52373 | |
| 7 | 07000-13032 | O-RING | 45001-52373 | |
| 8 | 01010-51095 | BOLT | 45001-52373 | |
| 9 | 01643-31032 | WASHER | 45001-52373 |
