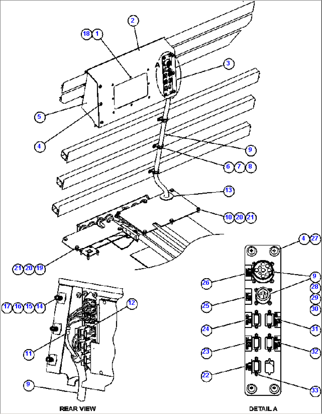
| Item | Part No. | Part Name | Qty | Serial No. |
| 1 | PB9828 | SCREW, FLAT HEAD - #10 - 32NF X 7/8" | | |
| 2 | EL4154 | PLATE, BENT (D.I.D. PANEL MOUNTING) | | |
| 3 | SM4275 | PLATE, SIDE - L.H. | | |
| 4 | PB9829 | SCREW, PANEL - M6 X 1.00 X 16 | | |
| 5 | SM4274 | PLATE, SIDE - R.H. | | |
| 6 | WB3092 | CLAMP, CUSHIONED - 7/8" | | |
| 7 | WA4513 | SCREW, SELF-TAPPING - #10 - 24NC X 1/2" | | |
| 8 | DF3445 | FLAT WASHER - #12 | | |
| 9 | EL2222 | HARNESS, ENGINE/CAB DIAGNOSTIC | | |
| 10 | EL5428 | PLATE, COVER | | |
| 11 | WB3098 | CLAMP, CUSHIONED - 3/8" | | |
| 12 | PB8334 | CLAMP, STRAIN RELIEF | | |
| 13 | VP3271 | GROMMET | | |
| 14 | TC1231 | LOCKWASHER - 3/8" | | |
| 15 | VC8762 | CAPSCREW - 3/8" - 16NC X 1 1/2" (G5) (ZINC) | | |
| 16 | TR4436 | FLAT WASHER - 3/8" | | |
| 17 | SM5049 | NUT, SPRING - 3/8" - 16NC | | |
| 18 | PB9785 | PANEL, DIAGNOSTIC INFORMATION DISPLAY (D.I.D.) | | |
| 19 | EL2941 | PLATE, FLOOR COVER | | |
| 20 | MM0593 | CAPSCREW - M8 X 1.25 X 20 | | |
| 21 | 01643-30823 | FLAT WASHER - M8 (HARDENED) | | |
| 22 | WB3120 | NAME PLATE - VHMS DIAG 6 | | |
| 23 | WB3117 | NAME PLATE - INTERFACE DIAG 5 | | |
| 24 | WB3118 | NAME PLATE - PAYLOAD DIAG 7 | | |
| 25 | WB3115 | NAME PLATE - ENGINE DIAG 4 | | |
| 26 | WB3114 | NAME PLATE - ENGINE DIAG 2 | | |
| 27 | EL4141 | PLATE, DIAGNOSTIC | | |
| 28 | MM0376 | LOCKWASHER - M3 (EXTERNAL TOOTH) | | |
| 29 | MM0370 | NUT - M3 | | |
| 30 | MM0331 | MACHINE SCREW - M3 X 0.5 X 20 | | |
| 31 | WB3116 | NAME PLATE - DRIVE SYSTEM DIAG 1 | | |
| 32 | WB3119 | NAME PLATE - DRIVE SYSTEM DIAG 3 | | |
| 33 | PB8256 | SCREW LOCK, FEMALE | | |