
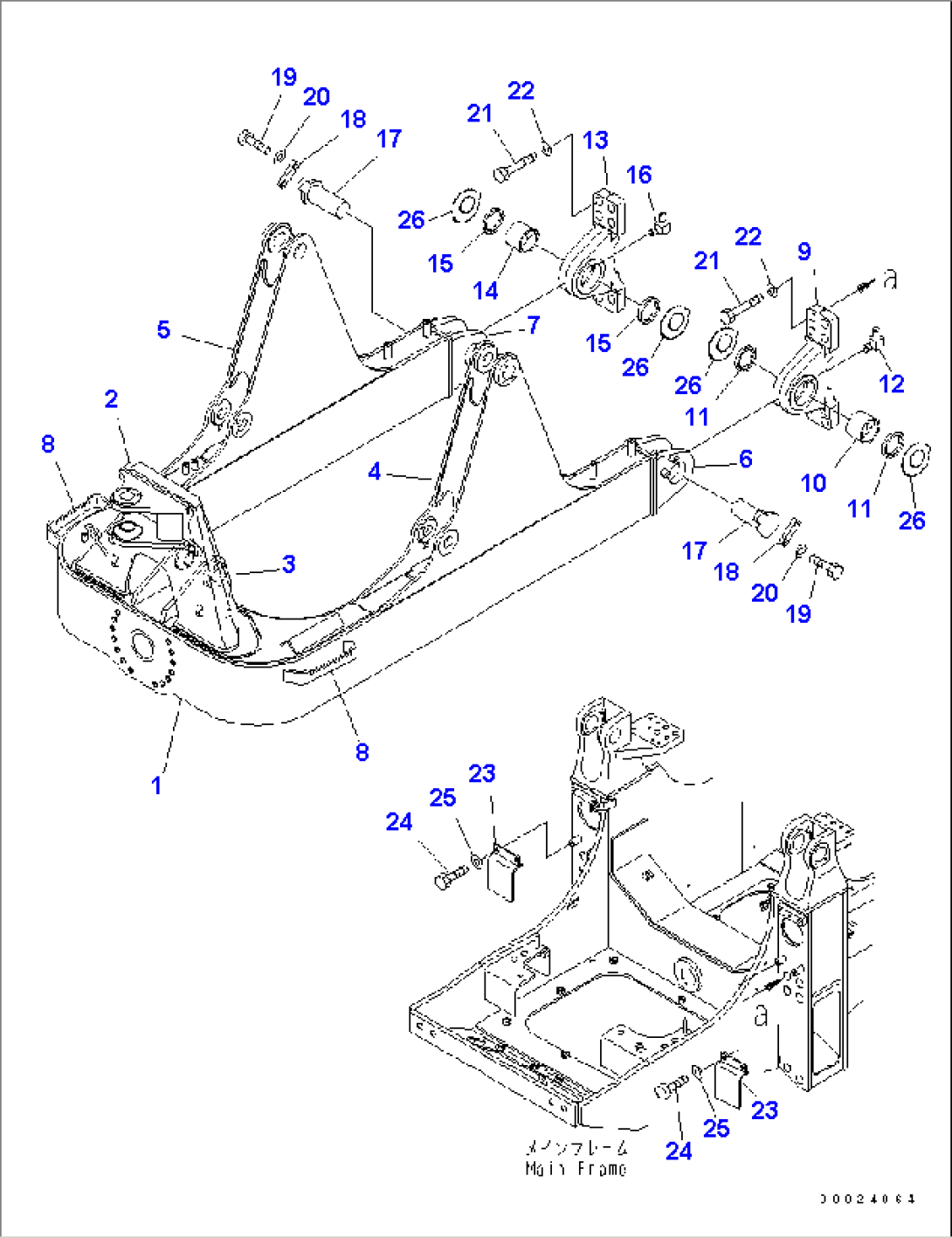
| Item | Part No. | Part Name | Qty | Serial No. |
| 1 | 13G-72-71203 | FRAME ASS'Y | B45001- | |
| 2 | 134-72-71230 | BRACKET (WELDED) | B45001- | |
| 3 | 134-72-71240 | BRACKET (WELDED) | B45001- | |
| 4 | 13G-72-71251 | BRACKET, L.H. (WELDED) | B45001- | |
| 5 | 13G-72-71261 | BRACKET, R.H. (WELDED) | B45001- | |
| 6 | 134-72-61271 | BRACKET, L.H. (WELDED) | B45001- | |
| 7 | 134-72-61430 | BRACKET, R.H. (WELDED) | B45001- | |
| 8 | 126-72-11262 | STEP (WELDED) | B45001- | |
| 134-72-00011 | BRACKET ASS'Y | B45001- | ||
| 9 | \6\ | BRACKET | B45001- | |
| 10 | 134-72-71850 | BUSHING | B45001- | |
| 11 | 07145-00085 | SEAL,DUST | B45001- | |
| 12 | 202-62-21430 | ELBOW | B45001- | |
| 134-72-00021 | BRACKET ASS'Y | B45001- | ||
| 13 | \6\ | BRACKET | B45001- | |
| 14 | 134-72-71850 | BUSHING | B45001- | |
| 15 | 07145-00085 | SEAL,DUST | B45001- | |
| 16 | 202-62-21430 | ELBOW | B45001- | |
| 17 | 134-72-61331 | PIN | B45001- | |
| 18 | 205-70-66580 | PLATE | B45001- | |
| 19 | 01010-81230 | BOLT | B45001- | |
| 20 | 01643-31232 | WASHER | B45001- | |
| 21 | 01011-83005 | BOLT | B45001- | |
| 22 | 01643-33080 | WASHER | B45001- | |
| 23 | 134-72-71371 | COVER | B45001- | |
| 24 | 01010-81225 | BOLT | B45001- | |
| 25 | 01643-31232 | WASHER | B45001- | |
| 26 | 13G-72-B2010 | SHIM | B45001- |
