
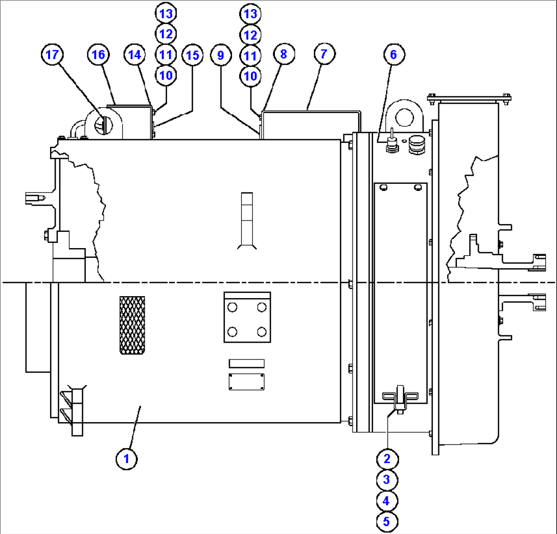
| Item | Part No. | Part Name | Qty | Serial No. |
| 1 | PC0283 | ALTERNATOR | ||
| 2 | VS7945 | COVER | ||
| 3 | VS7026 | LATCH - COVER ASSEMBLY | ||
| 4 | BF2119 | GASKET | ||
| 5 | VE3035 | PYTHON - #1062 | ||
| 6 | VE7272 | SEALANT | ||
| 7 | GE0411 | COVER | ||
| 8 | GE0412 | PLATE, FRONT (TOWARD REAR OF TRUCKS) | ||
| 9 | GE0337 | GROMMET | ||
| 10 | TC1234 | CAPSCREW - 3/8" - 16NC X 3/4" | ||
| 11 | VE4500 | CAPSCREW - 3/8" - 16NC X 1 3/4" | ||
| 12 | VE3027 | FLATWASHER - 3/8" | ||
| 13 | VE4687 | LOCKWASHER - 3/8" | ||
| 14 | GE0396 | PLATE, FRONT | ||
| 15 | VE1200 | GROMMET | ||
| 16 | GE0413 | COVER | ||
| 17 | GE0326 | COVER, FRONT | ||
| NS|18 | NOTE: NS = NOT SHOWN | |||
| NS|19 | BF0931 | PANEL, AIR TEMP | ||
| NS|20 | VE5042 | BOARD, TERMINAL | ||
| NS|21 | BF0932 | SENSOR, THERM |
