
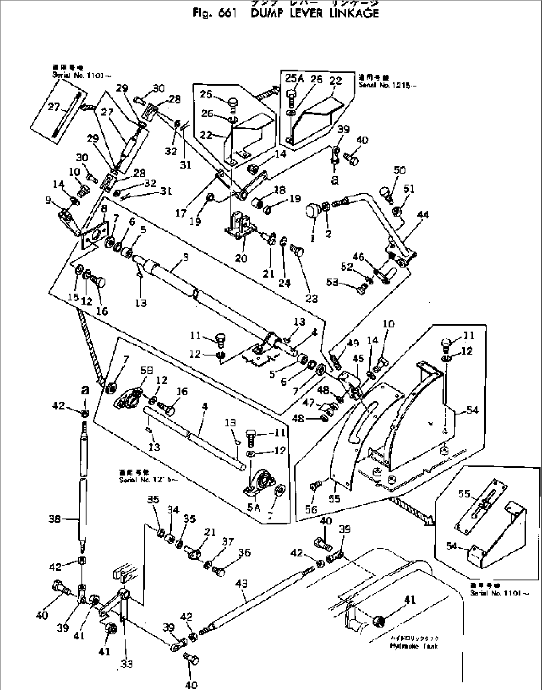
| Item | Part No. | Part Name | Qty | Serial No. |
| 1 | 09304-01250 | KNOB | 1002- | |
| 2 | 01582-01210 | NUT | 1002- | |
| 3 | 566-43-13122 | BRACKET | 1002-1214 | |
| 4 | 566-43-13142 | SHAFT | 1215- | |
| 4 | 566-43-13141 | SHAFT | 1002-1214 | |
| 5 | 06120-02016 | BEARING | 1002-1214 | |
| 5A | 567-43-16320 | BEARING | 1215- | |
| 5B | 565-43-17370 | BEARING | 1215- | |
| 6 | 06122-02004 | SEAL | 1002-1214 | |
| 7 | 01643-32060 | WASHER | 1215- | |
| 7 | 01643-22045 | WASHER | 1002-1214 | |
| 8 | 566-43-11190 | PLATE | 1002-1214 | |
| 9 | 04240-10205 | LEVER | 1002- | |
| 10 | 01010-30830 | BOLT | 1002- | |
| 11 | 01010-31030 | BOLT | 1215- | |
| 11 | 01010-31020 | BOLT | 1002-1214 | |
| 12 | 01602-01030 | WASHER | 1215- | |
| 12 | 01602-01030 | WASHER | 1002-1214 | |
| 13 | 04010-00519 | KEY | 1002- | |
| 14 | 01602-00825 | WASHER | 1002- | |
| 15 | 01643-21032 | WASHER | 1002-1214 | |
| 16 | 01010-31030 | BOLT | 1215- | |
| 16 | 01010-31025 | BOLT | 1002-1214 | |
| 17 | 566-43-13211 | LEVER | 1002- | |
| 18 | 06120-01612 | BEARING | 1002- | |
| 19 | 06122-01603 | SEAL | 1002- | |
| 20 | 567-43-13120 | BRACKET | 1002- | |
| 21 | 566-43-13231 | PIN | 1002- | |
| 22 | 567-43-13171 | COVER | 1215- | |
| 22 | 567-43-13170 | COVER | 1002-1214 | |
| 23 | 01010-30816 | BOLT | 1002- | |
| 24 | 01602-00825 | WASHER | 1002- | |
| 25 | 01010-31025 | BOLT | 1002- | |
| 25A | 01010-31025 | BOLT | 1215- | |
| 26 | 01602-01030 | WASHER | 1215- | |
| 26 | 01602-01030 | WASHER | 1002-1214 | |
| 27 | 04245-01019 | ROD | 1101- | |
| 27 | \0\567-43-13110 | ROD | 1002-1100 | |
| 28 | 04210-21040 | YOKE | 1002- | |
| 29 | 01582-01008 | NUT | 1002- | |
| 30 | 04205-11030 | PIN | 1002- | |
| 31 | 04050-13015 | PIN | 1002- | |
| 32 | 01641-21016 | WASHER | 1002- | |
| 33 | 567-43-13140 | LEVER | 1002- | |
| 34 | 06120-01612 | BEARING | 1002- | |
| 35 | 06122-01603 | SEAL | 1002- | |
| 36 | 01010-30816 | BOLT | 1002- | |
| 37 | 01602-00825 | WASHER | 1002- | |
| 38 | 567-43-13131 | ROD | 1002- | |
| 39 | 04250-51056 | END,ROD | 1002- | |
| 40 | 01090-31040 | BOLT | 1002- | |
| 41 | 01599-01011 | NUT | 1002- | |
| 42 | 01582-01008 | NUT | 1002- | |
| 43 | 567-43-13151 | ROD | 1002- | |
| 44 | 566-43-13114 | LEVER | 1215- | |
| 44 | 566-43-13113 | LEVER | 1101-1214 | |
| 44 | \0\566-43-13112 | LEVER | 1002-1100 | |
| 45 | 566-43-13182 | BOSS | 1215- | |
| 45 | 566-43-13160 | BOSS | 1002-1214 | |
| 46 | 566-43-16260 | PIN | 1002- | |
| 47 | 06120-01612 | BEARING | 1002- | |
| 48 | 06122-01603 | SEAL | 1002- | |
| 49 | 281-43-14250 | SPRING | 1002- | |
| 50 | 01010-30820 | BOLT | 1215- | |
| 50 | 281-43-14260 | BOLT | 1002-1214 | |
| 51 | 01602-00825 | WASHER | 1215- | |
| 51 | 01582-01210 | NUT | 1002-1214 | |
| 52 | 01602-00825 | WASHER | 1002- | |
| 53 | 01010-30816 | BOLT | 1002- | |
| 54 | 566-43-13172 | BOX | 1215- | |
| 54 | 566-43-13171 | BOX | 1101-1214 | |
| 54 | 566-43-13170 | BOX | 1002-1100 | |
| 55 | 566-43-13181 | PLATE,GUIDE | 1101- | |
| 55 | 566-43-13180 | PLATE,GUIDE | 1002-1100 | |
| 56 | 01220-40816 | SCREW | 1002- |
