
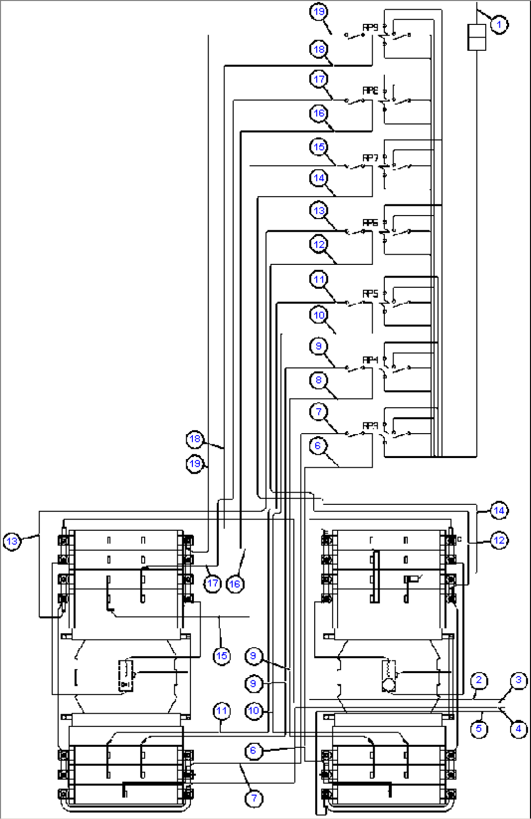
| Item | Part No. | Part Name | Qty | Serial No. |
| 1 | EK8657 | HARNESS - 3 & 7 STEP ERR | ||
| 2 | CABLE - 7J2 - P1S (1) | |||
| 3 | CABLE - 7GA1 - P2S (1) | |||
| 4 | CABLE - 7J8 - RP1S1 (1) | |||
| 5 | CABLE - 7J7 - RP2S1 (1) | |||
| 6 | CABLE - 7J16 - RP3M (1) | |||
| 7 | CABLE - 7J15 - RP3S (1) | |||
| 8 | CABLE - 7J18 - RP4M (1) | |||
| 9 | CABLE - 7J17 - RP4S (1) | |||
| 10 | CABLE - 7J32 - RP5M (1) | |||
| 11 | CABLE - 7J30 - RP5S (1) | |||
| 12 | CABLE - 7J36 - RP6M (1) | |||
| 13 | CABLE - 7J34 - RP6S (1) | |||
| 14 | CABLE - 7J40 - RP7M (1) | |||
| 15 | CABLE - 7J38 - RP7S (1) | |||
| 16 | CABLE - 7J44 - RP8M (1) | |||
| 17 | CABLE - 7J42 - RP8S (1) | |||
| 18 | CABLE - 7J48 - RP9M (1) | |||
| 19 | CABLE - 7J46 - RP9S (1) | |||
| NS|20 | NOTE: (1) CABLES SUPPLIED BY GRID BOX VENDOR. |
