Ваш браузер устарел. Этот сайт может работать неполноценно или выглядеть сломанным. Обновите ваш браузер, если можете.

Поиск по каталогу

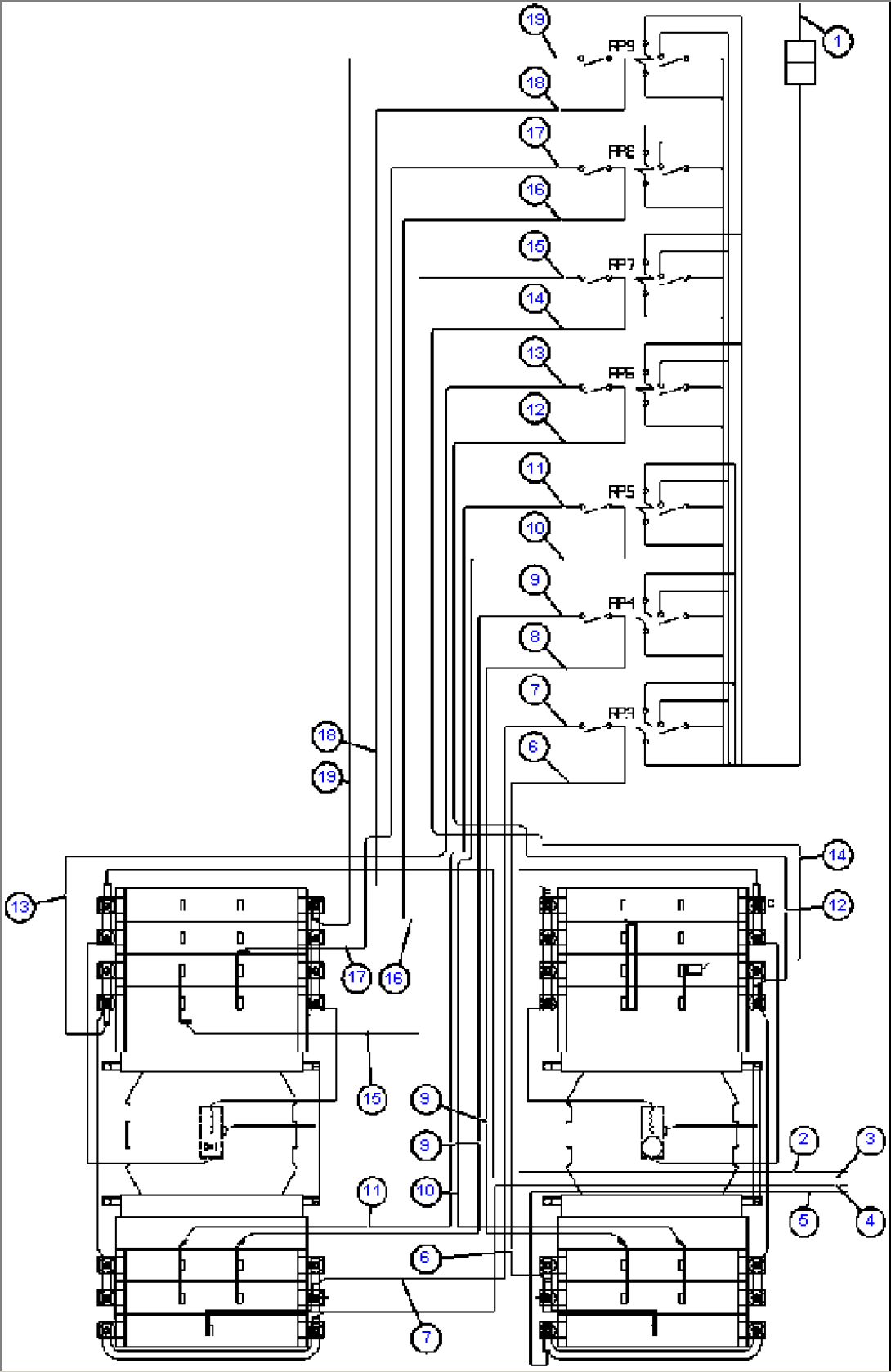
ELECTRIC POWER COMPONENTS WIRING - 1

ELECTRIC POWER COMPONENTS WIRING - 1
ItemPart No.Part NameQtySerial No.
1EK8657HARNESS - 3 & 7 STEP ERR
2CABLE - 7J2 - P1S (1)
3CABLE - 7GA1 - P2S (1)
4CABLE - 7J8 - RP1S1 (1)
5CABLE - 7J7 - RP2S1 (1)
6CABLE - 7J16 - RP3M (1)
7CABLE - 7J15 - RP3S (1)
8CABLE - 7J18 - RP4M (1)
9CABLE - 7J17 - RP4S (1)
10CABLE - 7J32 - RP5M (1)
11CABLE - 7J30 - RP5S (1)
12CABLE - 7J36 - RP6M (1)
13CABLE - 7J34 - RP6S (1)
14CABLE - 7J40 - RP7M (1)
15CABLE - 7J38 - RP7S (1)
16CABLE - 7J44 - RP8M (1)
17CABLE - 7J42 - RP8S (1)
18CABLE - 7J48 - RP9M (1)
19CABLE - 7J46 - RP9S (1)
NS|20NOTE: (1) CABLES SUPPLIED BY GRID BOX VENDOR.
Вернуться в каталог

Заявка

Обратная связь