
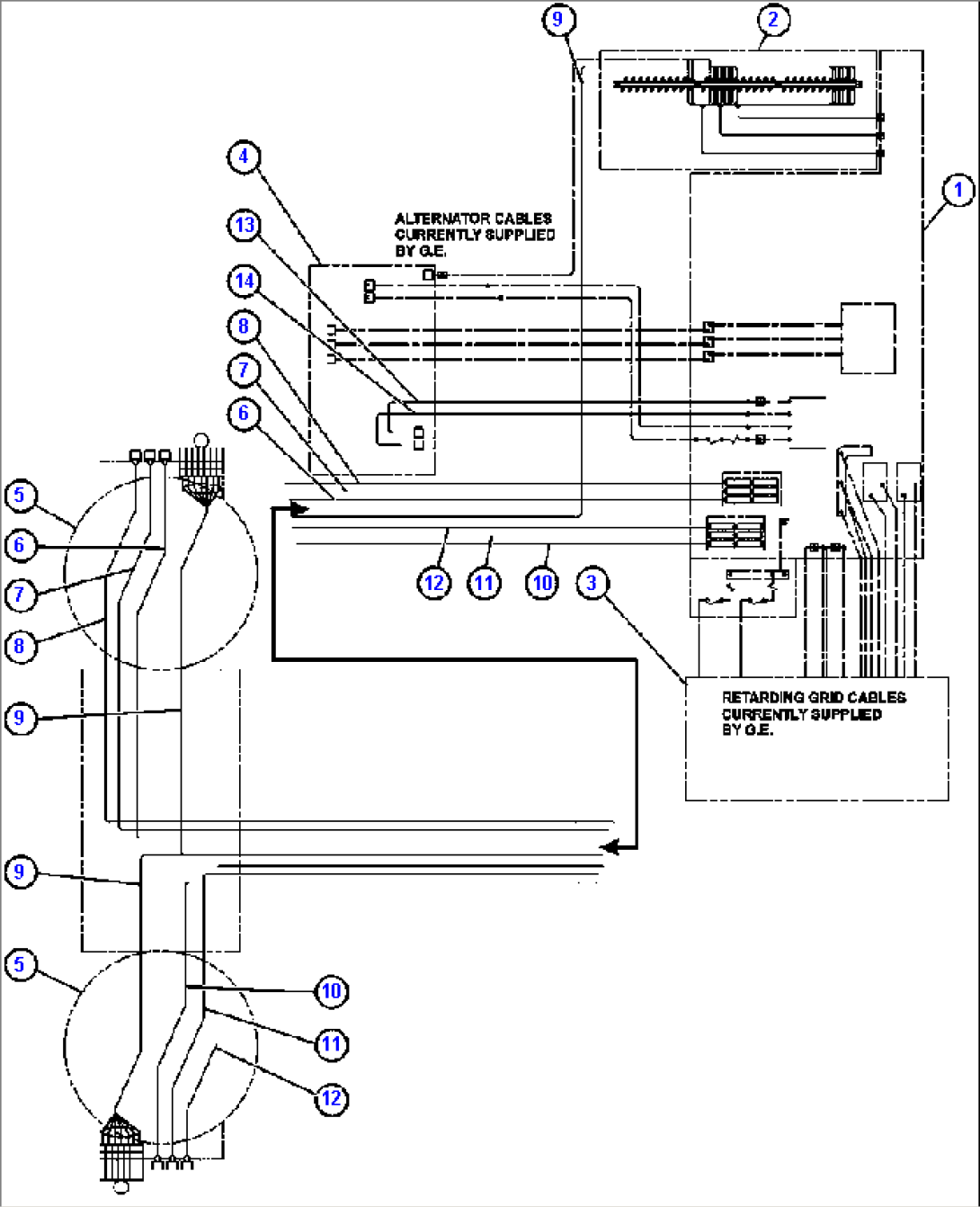
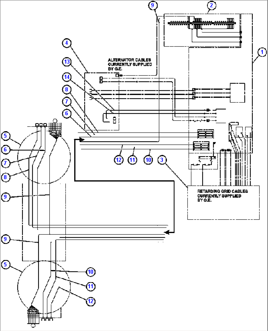
| Item | Part No. | Part Name | Qty | Serial No. |
| 1 | PC1198 | CABINET, CONTROL (SEE INDEX) | ||
| 2 | EK2192 | CABINET, AUXILIARY CONTROL (SEE INDEX) | ||
| 3 | PC0809 | RETARDING GRID (SEE INDEX) | ||
| 4 | PC1196 | ALTERNATOR/BLOWER ASSEMBLY (SEE INDEX) | ||
| 5 | PC1625 | MOTOR ASSEMBLY - WHEEL (SEE INDEX) | ||
| 6 | CH3912 | CABLE - 7M1A | ||
| 7 | CH3913 | CABLE - 7M1B | ||
| 8 | CH3914 | CABLE - 7M1C | ||
| 9 | EK2358 | HARNESS, GE CONDUCTOR | ||
| 10 | CH3915 | CABLE - 7M2A | ||
| 11 | CH3916 | CABLE - 7M2B | ||
| 12 | CH3917 | CABLE - 7M2C | ||
| 13 | CH4901 | CABLE - 71J | ||
| 14 | CH4902 | CABLE - 74D |
