
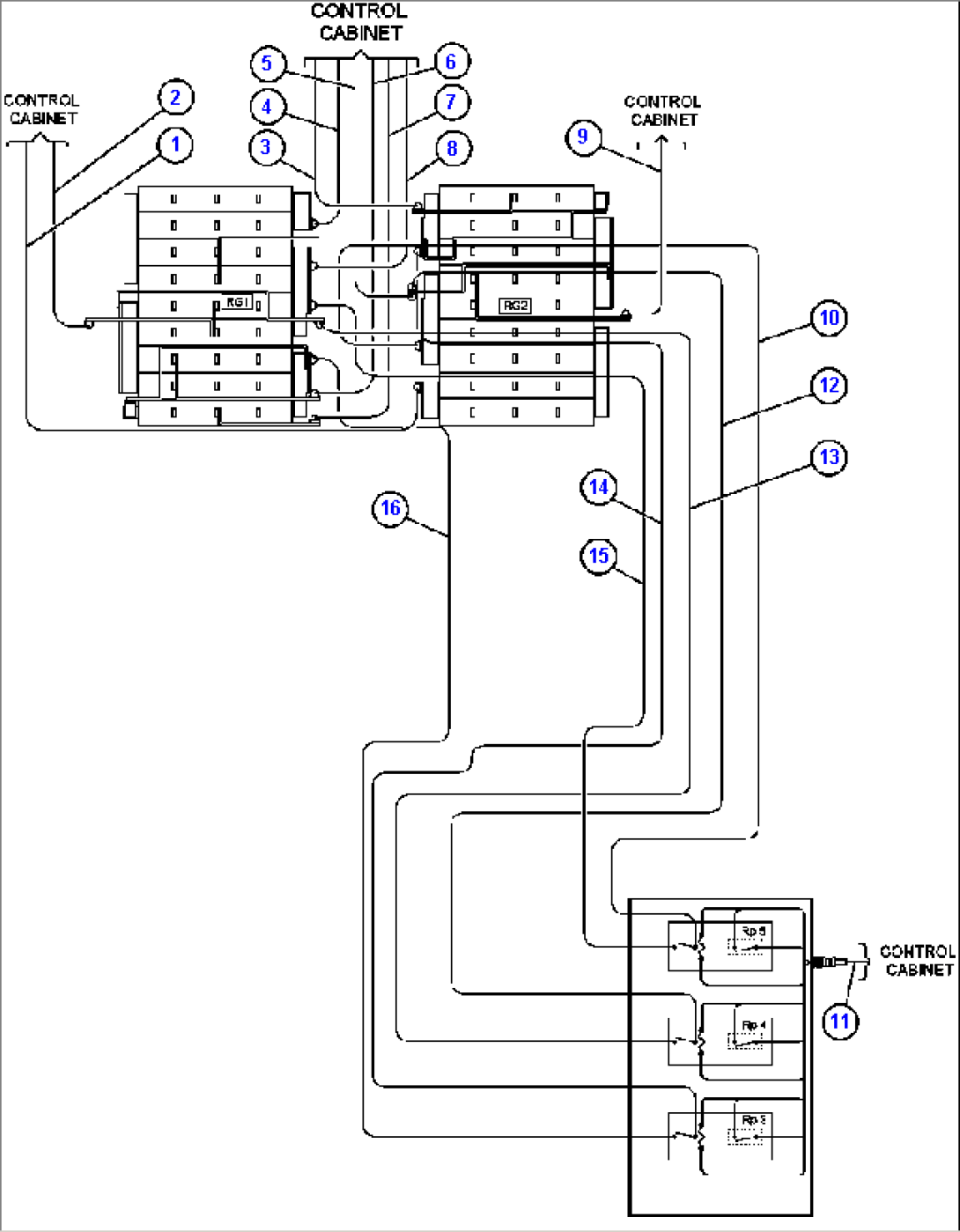
| Item | Part No. | Part Name | Qty | Serial No. |
| 1 | CH3168 | CABLE - 7J2 | ||
| 2 | CH3158 | CABLE - 7RC6 | ||
| 3 | CH3163 | CABLE - 7J7 | ||
| 4 | CH3156 | CABLE - 7GA1 | ||
| 5 | CH3166 | CABLE - 7J18 | ||
| 6 | CH3159 | CABLE - 7RC4 | ||
| 7 | CH3162 | CABLE - 7J8 | ||
| 8 | CH3157 | CABLE - 7J30 | ||
| 9 | CH3167 | CABLE - 7RC5 | ||
| 10 | CH3141 | CABLE - 7J32 | ||
| 11 | EK8657 | HARNESS - ERR (CONTACTOR BOX TO CONTROL CABINET) | ||
| 12 | CH3165 | CABLE - 7J18 | ||
| 13 | CH3160 | CABLE - 7J17 | ||
| 14 | CH3164 | CABLE - 7J16 | ||
| 15 | CH3135 | CABLE - 7J30 | ||
| 16 | CH3161 | CABLE - 7J15 |
