
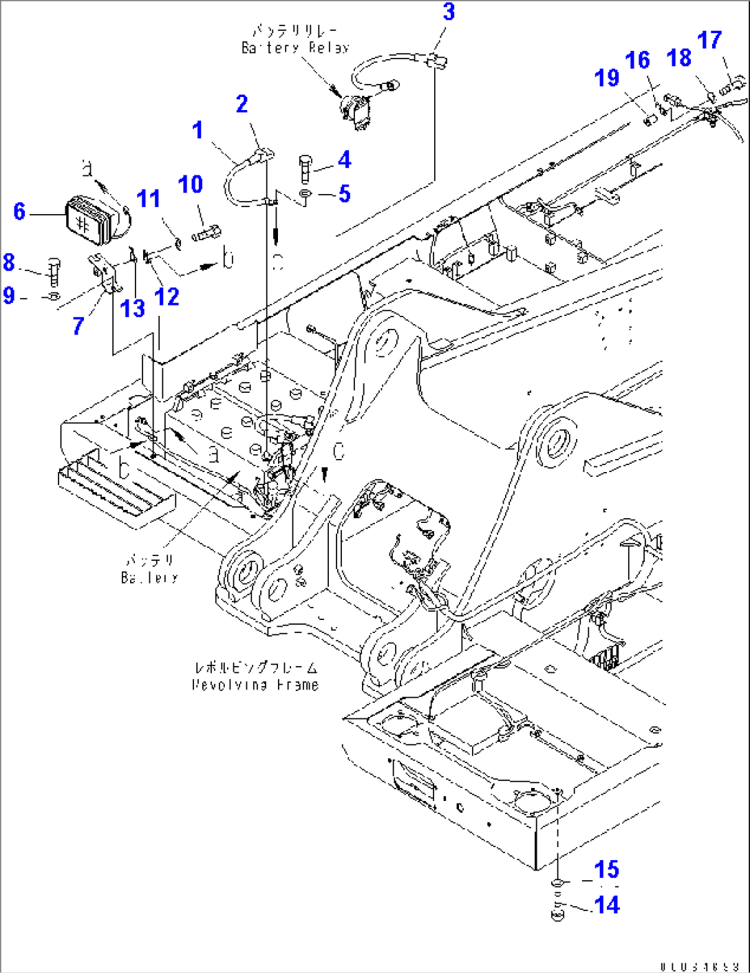
| Item | Part No. | Part Name | Qty | Serial No. |
| 1 | 08028-44040 | CABLE, GROUND | 70001- | |
| 2 | 08038-22511 | CAP | 70001- | |
| 3 | 08038-42511 | CAP | 70001- | |
| 4 | 01010-81025 | BOLT | 70001- | |
| 5 | 01643-31032 | WASHER | 70001- | |
| 6 | 21T-06-32810 | WORKING LAMP ASS'Y | 70001- | |
| 421-06-23330 | BULB, 70W | 70001- | ||
| 7 | 20Y-06-31680 | BRACKET | 70001- | |
| 8 | 01010-81230 | BOLT | 70001- | |
| 9 | 01643-31232 | WASHER | 70001- | |
| 10 | 01010-81220 | BOLT | 70001- | |
| 11 | 01643-31232 | WASHER | 70001- | |
| 12 | 08057-12012 | CLIP | 70001- | |
| 13 | 08193-20012 | CLIP | 70001- | |
| 14 | 01010-81016 | BOLT | 70001- | |
| 15 | 01643-31032 | WASHER | 70001- | |
| 16 | 08193-20012 | CLIP | 70001- | |
| 17 | 01010-81260 | BOLT | 70001- | |
| 18 | 01643-31232 | WASHER | 70001- | |
| 19 | 142-03-11160 | SPACER | 70001- |
