
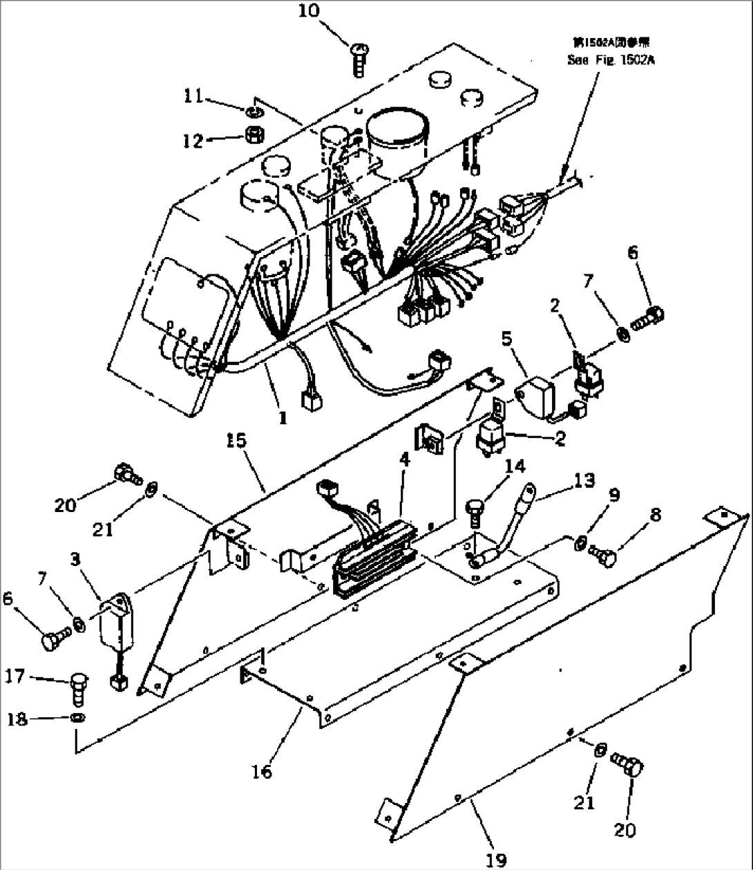
| Item | Part No. | Part Name | Qty | Serial No. |
| 1 | 20W-06-11150 | WIRE ASS'Y | 1206-1694 | |
| 2 | YM121522-77101 | RELAY,SAFETY | 1206-@ | |
| 3 | YM128300-77920 | TIMER,GLOW PLUG | 1001-@ | |
| 4 | YM119640-77711 | LIMITER,CURRENT | 1206-@ | |
| 5 | YM121522-77721 | INDICATOR,CHARGE | 1001-@ | |
| 6 | 01010-50616 | BOLT | 1001-@ | |
| 7 | 01643-30623 | WASHER | 1001-@ | |
| 8 | 01010-50625 | BOLT | 1001-1694 | |
| 9 | 01643-30623 | WASHER | 1001-@ | |
| 10 | 01220-40516 | SCREW | 1001-@ | |
| 11 | 01601-20513 | WASHER,SPRING | 1001-@ | |
| 12 | 01580-10504 | NUT | 1001-@ | |
| 13 | 20M-06-48221 | WIRE | 1001-@ | |
| 14 | 01010-50812 | BOLT | 1001-@ | |
| 15 | 20W-06-11130 | PLATE | 1001-@ | |
| 16 | 20M-06-48150 | PLATE | 1001-@ | |
| 17 | 01010-50816 | BOLT | 1001-@ | |
| 18 | 01643-30823 | WASHER | 1001-@ | |
| 19 | 20M-06-48122 | PLATE | 1001-@ | |
| 20 | 01010-50610 | BOLT | 1001-@ | |
| 21 | 01643-30623 | WASHER | 1001-@ |
