
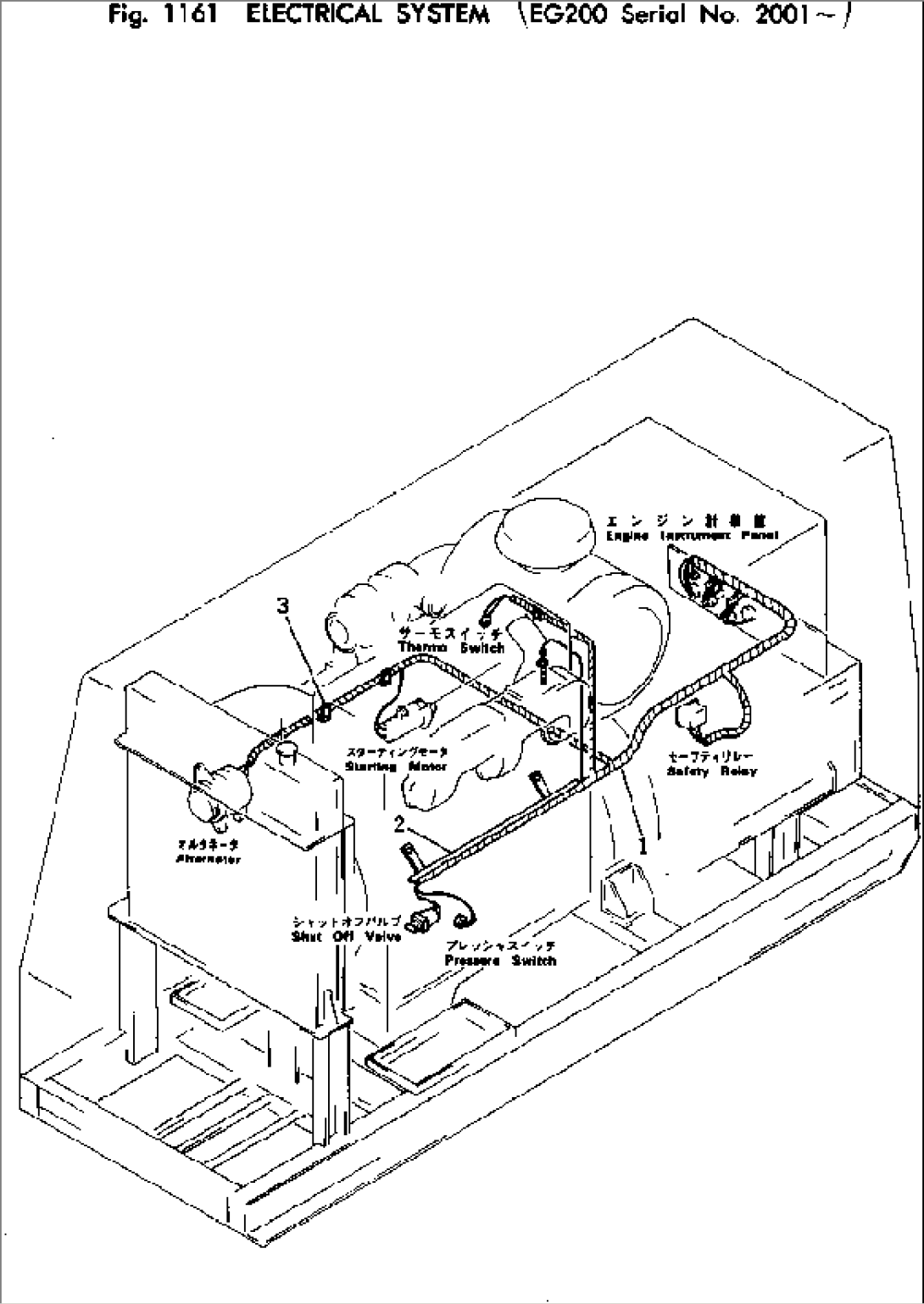
| Item | Part No. | Part Name | Qty | Serial No. |
| 1 | TEPCA105100 | HARNESS | 2001- | |
| 2 | TEN1502CG00100 | BRACKET | 2001- | |
| 3 | TEN1502CG00200 | BRACKET | 2001- |

| Item | Part No. | Part Name | Qty | Serial No. |
| 1 | TEPCA105100 | HARNESS | 2001- | |
| 2 | TEN1502CG00100 | BRACKET | 2001- | |
| 3 | TEN1502CG00200 | BRACKET | 2001- |