
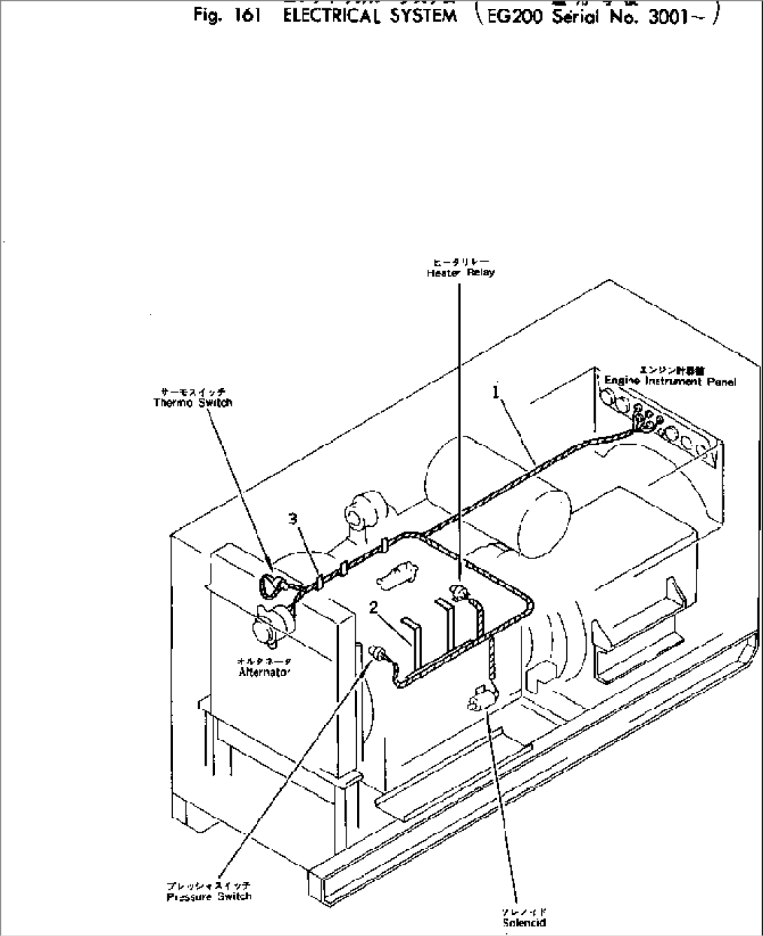
| Item | Part No. | Part Name | Qty | Serial No. |
| 1 | TES1908-00100 | HARNESS,WIRE | 3001- | |
| 2 | TEN2707-00300 | LAMP | 3001- | |
| 3 | TEN0008-03010 | GUIDE | 3001- |

| Item | Part No. | Part Name | Qty | Serial No. |
| 1 | TES1908-00100 | HARNESS,WIRE | 3001- | |
| 2 | TEN2707-00300 | LAMP | 3001- | |
| 3 | TEN0008-03010 | GUIDE | 3001- |