
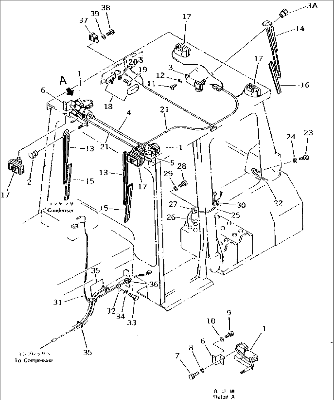
| Item | Part No. | Part Name | Qty | Serial No. |
| 1 | 120-Y79-5111 | MOTOR ASS'Y,L.H. | 83071- | |
| 120-Y79-5121 | MOTOR ASS'Y,R.H. | 83071- | ||
| 2 | AM859908-1350 | NUT | 83071- | |
| 3 | 08180-12411 | WIPER MOTOR ASS'Y,REAR | 83071- | |
| 3A | AM859908-1350 | NUT | 83071- | |
| 4 | 120-Y79-5130 | CABLE | 83071- | |
| 5 | 144-Y11-2880 | BRACKET,L.H. | 83071- | |
| 6 | 144-Y11-2890 | BRACKET,R.H. | 83071- | |
| 7 | 01010-51020 | BOLT | 83071- | |
| 8 | 01643-31032 | WASHER | 83071- | |
| 9 | 01010-50616 | BOLT | 83071- | |
| 10 | 01602-20619 | WASHER,SPRING | 83071- | |
| 11 | 01220-40510 | SCREW | 83071- | |
| 12 | 01601-20513 | WASHER,SPRING | 83071- | |
| 13 | 144-Y11-3120 | ARM | 83071- | |
| 14 | 144-Y11-3130 | ARM | 83071- | |
| 15 | 201-54-42810 | BLADE | 83071- | |
| 16 | 20S-06-13430 | BLADE | 83071- | |
| 17 | 14X-06-11120 | WORK LAMP ASS'Y | 83185- | |
| 144-Y11-3110 | LAMP | 83071-83184 | ||
| 14X-06-11140 | BULB¤ 60W | 83185- | ||
| 144-Y11-3140 | BULB¤ 55W | 83071-83184 | ||
| 18 | 08141-02400 | LAMP | 83071- | |
| 08116-02410 | BULB¤ 10W | 83071- | ||
| 19 | 01220-40412 | SCREW | 83071- | |
| 20 | 01641-20405 | WASHER | 83071- | |
| 21 | 144-Y11-3171 | WIRE | 83185- | |
| 144-Y11-3170 | WIRE | 83071-83184 | ||
| 22 | 144-Y11-1940 | CABLE | 83075- | |
| \1\08028-14025 | WIRE¤ 250MM | 83071-83074 | ||
| 23 | 01010-51016 | BOLT | 83071- | |
| 24 | 01602-21030 | WASHER,SPRING | 83071- | |
| 25 | 144-Y11-1920 | CABLE | 83071- | |
| 26 | 144-Y11-1930 | CABLE | 83071- | |
| 27 | 08036-01014 | CLIP | 83071- | |
| 28 | 01010-51020 | BOLT | 83071- | |
| 29 | 01643-31032 | WASHER | 83071- | |
| 30 | 08037-03614 | GROMMET | 83071- | |
| 31 | 144-Y11-1910 | WIRE | 83071- | |
| 32 | 08036-01014 | CLIP | 83071- | |
| 33 | 01010-51020 | BOLT | 83071- | |
| 34 | 01643-31032 | WASHER | 83071- | |
| 35 | 08034-00519 | BAND | 83071- | |
| 36 | 08037-02512 | GROMMET | 83071- | |
| 37 | 205-979-6460 | RELAY ASS'Y | 83071- | |
| 38 | 01220-40812 | SCREW | 83071- | |
| 39 | 01641-20812 | WASHER | 83071- |
