
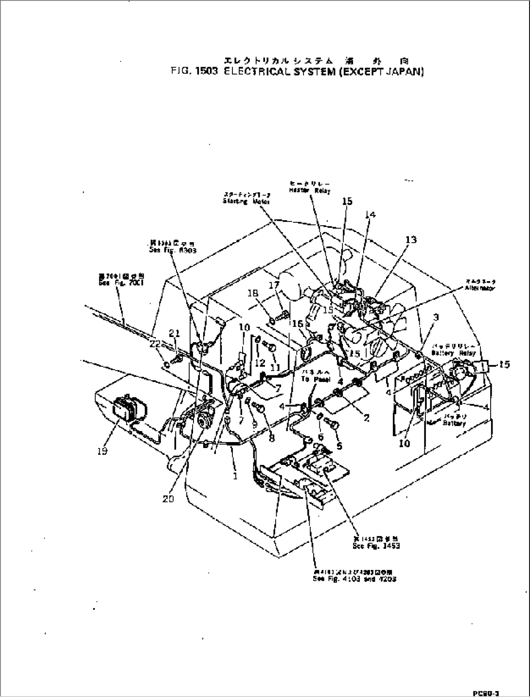
| Item | Part No. | Part Name | Qty | Serial No. |
| 20X-06-21222 | WIRE ASS'Y,WITH SWING MECHANICAL BRAKE | 2001- | ||
| 1 | 22W-06-13590 | DIODE | 2001- | |
| 1 | 201-06-51110 | WIRE ASS'Y,WITHOUT SWING MECHANICAL BRAKE | 2001- | |
| 2 | 150-952-7160 | GROMMET | 2001- | |
| 3 | 08037-03614 | GROMMET | 2001- | |
| 4 | 08036-01414 | CLIP | 2001- | |
| 5 | 01010-51016 | BOLT | 2001- | |
| 6 | 01643-31032 | WASHER | 2001- | |
| 7 | 08036-10814 | CLIP | 2001- | |
| 8 | 01010-51016 | BOLT | 2001- | |
| 9 | 01643-31032 | WASHER | 2001- | |
| 10 | 08036-01814 | CLIP | 2001- | |
| 11 | 01010-51016 | BOLT | 2001- | |
| 12 | 01643-31032 | WASHER | 2001- | |
| 13 | 08036-10614 | CLIP | 2001- | |
| 14 | 20X-06-21260 | WIRE | 2001- | |
| 15 | 08038-00525 | CAP | 2001- | |
| 16 | 20X-06-21170 | WIRE | 2001- | |
| 17 | 01010-51016 | BOLT | 2001- | |
| 18 | 01643-31032 | WASHER | 2001- | |
| 19 | 22W-06-12381 | LAMP ASS'Y | 2001- | |
| 19 | 22W-06-12170 | BULB | 2001- | |
| 20 | 08160-52400 | HORN | 2001- | |
| 21 | 01010-50816 | BOLT | 2001- | |
| 22 | 01643-30823 | WASHER | 2001- |
