
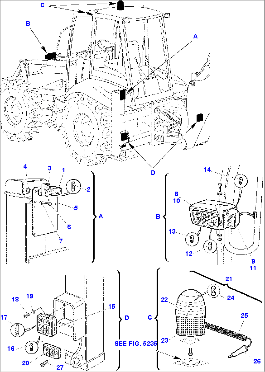
| Item | Part No. | Part Name | Qty | Serial No. |
| 1 | 885110052 | NUMBER PLATE LIGHT | 97SF10431- | |
| 2 | 885140003 | BULB | 97SF10431- | |
| 3 | 801250045 | BOLT | 97SF10431- | |
| 4 | 801852205 | SELF-LOCKING NUT | 97SF10431- | |
| 5 | 312618601 | NUMBER PLATE SUPPORT | 97SF10431- | |
| 6 | 802170001 | WASHER | 97SF10431- | |
| 7 | 801015086 | BOLT | 97SF10431- | |
| 8 | 885111104 | FRONT LIGHT, R.H. | 97SF10431- | |
| 9 | 885111080 | LATERAL LIGHT, R.H. | 97SF10431- | |
| 10 | 885111105 | FRONT LIGHT, L.H. | 97SF10431- | |
| 11 | 885111081 | LATERAL LIGHT, L.H. | 97SF10431- | |
| 12 | 885141172 | BULB | 97SF10431- | |
| 13 | 885141171 | BULB | 97SF10431- | |
| 14 | 885140016 | BULB | 97SF10431- | |
| 15 | 885111117 | BACK LIGHT | 97SF10431- | |
| 16 | 885140016 | BULB | 97SF10431- | |
| 17 | 885140003 | BULB | 97SF10431- | |
| 18 | 801250045 | BOLT | 97SF10431- | |
| 19 | 802070005 | WASHER | 97SF10431- | |
| 20 | 885131024 | REFLEX REFLECTOR | 97SF10431- | |
| 21 | 885111118 | ASSY, ROTARY BEAM | 97SF10431- | |
| 22 | 885111126 | CALOTTE | 97SF10431- | |
| 23 | 885111127 | SUPPORT | 97SF10431- | |
| 24 | 885141085 | BULB | 97SF10431- | |
| 25 | 885111128 | CABLE | 97SF10431- | |
| 26 | 885111129 | CONNECTOR | 97SF10431- | |
| 27 | 801250027 | BOLT | 97SF10431- | |
| SEE FIG. 5235 |
