
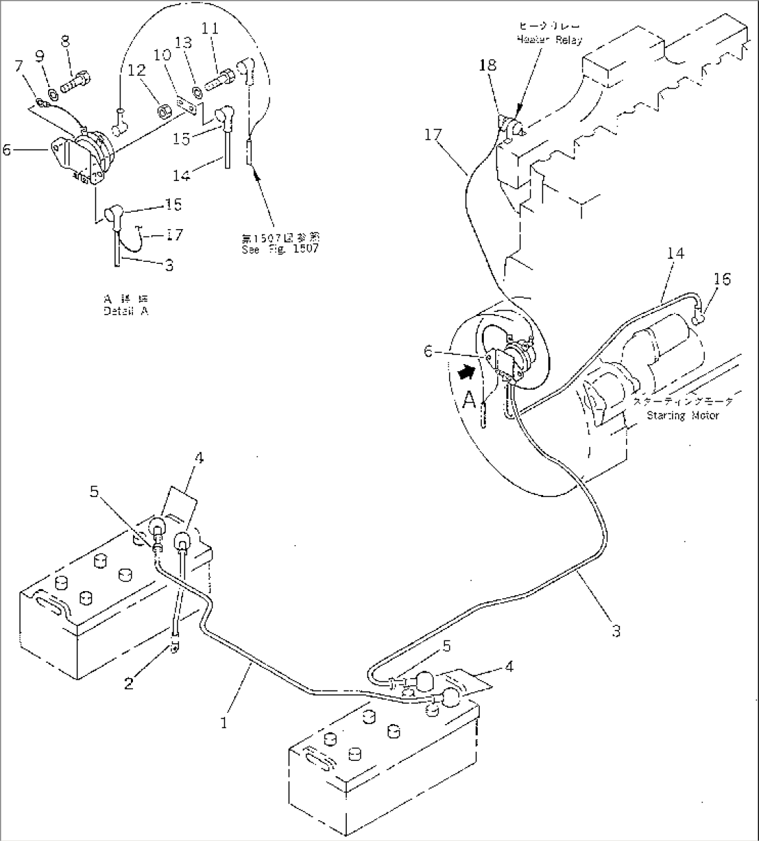
| Item | Part No. | Part Name | Qty | Serial No. |
| 1 | 08028-14225 | WIRE¤ 2250MM | 12001- | |
| 2 | 08028-14085 | WIRE¤ 850MM | 12001- | |
| 3 | 08028-14300 | WIRE¤ 3000MM | 12001- | |
| 4 | 232-06-11970 | CAP | 12001- | |
| 5 | 234-06-41320 | BAND,MARK | 12001- | |
| 6 | 22W-06-13220 | SWITCH,BATTERY | 12001- | |
| 7 | 237-06-11510 | WIRE | 12001- | |
| 8 | 01010-50825 | BOLT | 12001- | |
| 9 | 01641-20812 | WASHER | 12001- | |
| 10 | 234-06-32240 | PLATE | 12001- | |
| 11 | 01010-50820 | BOLT | 12001- | |
| 12 | 01580-10806 | NUT | 12001- | |
| 13 | 01641-20812 | WASHER | 12001- | |
| 14 | 08028-14100 | WIRE¤ 1000MM | 12001- | |
| 15 | 232-06-11960 | CAP | 12001- | |
| 16 | 232-06-11970 | CAP | 12001- | |
| 17 | 262-06-21250 | WIRE | 12001- | |
| 18 | 08038-00218 | CAP | 12001- |
