
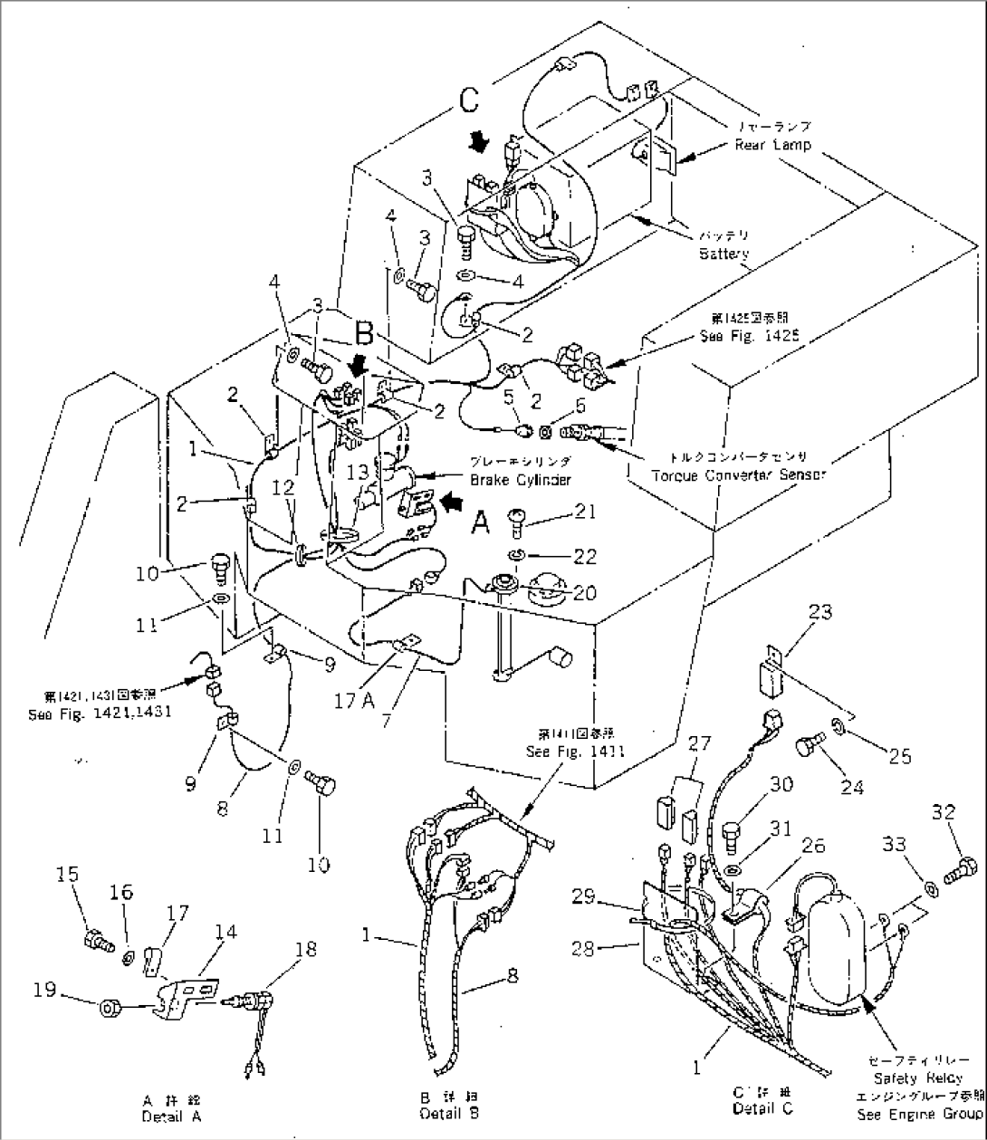
| Item | Part No. | Part Name | Qty | Serial No. |
| 1 | 363-06-23152 | WIRE ASS'Y | 9001-10802 | |
| 2 | 08036-02514 | CLIP | 9001-@ | |
| 3 | 01010-51016 | BOLT | 9001-@ | |
| 4 | 01643-31032 | WASHER | 9001-@ | |
| 5 | 198-06-11940 | SENSOR,TORQUE CONVERTER OIL TEMP. | 9001-@ | |
| 6 | 362-49-31170 | SEAT | 9001-@ | |
| 7 | 362-06-33170 | WIRE ASS'Y | 9001-@ | |
| 8 | 363-06-23210 | WIRE ASS'Y | 9001-@ | |
| 9 | 08036-01814 | CLIP | 9001-@ | |
| 10 | 01010-51016 | BOLT | 9001-@ | |
| 11 | 01643-31032 | WASHER | 9001-@ | |
| 12 | 08034-00414 | BAND | 9001-@ | |
| 13 | 08034-00519 | BAND | 9001-@ | |
| 14 | 362-06-13890 | BRACKET | 9001-@ | |
| 15 | 01010-50820 | BOLT | 9001-@ | |
| 16 | 01643-30823 | WASHER | 9001-@ | |
| 17 | 08036-00814 | CLIP | 9001-@ | |
| 17A | 08036-01014 | CLIP | 9001-@ | |
| 18 | 362-06-13210 | SWITCH,BRAKE | 9001-@ | |
| 19 | 234-32-11260 | NUT | 9001-@ | |
| 20 | 20T-06-31110 | FLOAT,FUEL TANK | 9001-@ | |
| 21 | 01220-40408 | SCREW | 9001-@ | |
| 22 | 01601-20410 | WASHER,SPRING | 9001-@ | |
| 23 | 20S-06-31510 | RELAY ASS'Y | 9001-@ | |
| 24 | 01010-50612 | BOLT | 9001-@ | |
| 25 | 01602-20619 | WASHER,SPRING | 9001-@ | |
| 26 | 08052-11711 | CLIP | 9001-@ | |
| 27 | 22W-06-13590 | DIODE | 9001-@ | |
| 28 | 363-06-23470 | PLATE | 9001-@ | |
| 29 | 08034-00519 | BAND | 9001-@ | |
| 30 | 01010-51020 | BOLT | 9001-@ | |
| 31 | 01643-31032 | WASHER | 9001-@ | |
| 32 | 01220-40612 | SCREW | 9001-@ | |
| 33 | 01643-30623 | WASHER | 9001-@ |
