
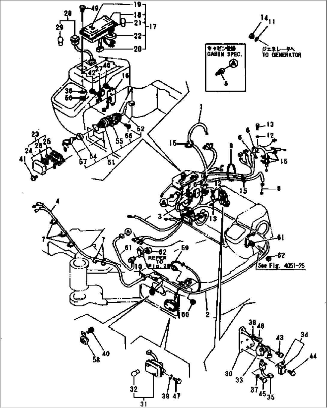
| Item | Part No. | Part Name | Qty | Serial No. |
| 1 | YM172964-16500 | HARNESS | 10001- | |
| 2 | YM172964-16511 | HARNESS | 10183- | |
| 3 | YM172164-16523 | HARNESS | 10196- | |
| 4 | YM172151-16531 | WIRE,LEAD | 10001- | |
| 5 | YM172190-16500 | HARNESS | 11001- | |
| 6 | YM172126-16540 | CLAMP | 10001- | |
| 7 | YM172137-16560 | BAND | 10001- | |
| 8 | YM172183-16540 | LINK,FUSIBLE | 10001- | |
| 9 | YM194250-51660 | BAND | 10001- | |
| 10 | YM1A1380-58050 | GROMMET | 10001- | |
| 11 | YM22217-050000 | WASHER | 10001- | |
| 12 | YM22217-100000 | WASHER | 10001- | |
| 13 | YM26116-100162 | BOLT | 10001- | |
| 14 | YM26716-050002 | NUT | 10001- | |
| 15 | YM933152-09280 | BAND | 10001- | |
| 16 | YM172151-17100 | LAMP | 10001- | |
| 17 | YM172162-17101 | BOX ASS'Y,INDICATOR | 10001- | |
| 18 | YM172162-17270 | COVER | 10250- | |
| 19 | YM172162-17240 | FO METER ASS'Y | 10250- | |
| 20 | YM172162-17250 | HARNESS | 10250- | |
| 21 | YM172162-17120 | VALVE | 10001- | |
| 22 | YM172162-17130 | HOURMETER | 10001- | |
| 23 | YM172164-17100 | FUSE BOX | 10001- | |
| 24 | YM172164-17110 | BOX,FUSE | 10001- | |
| 25 | YM29420-150000 | FUSE | 10001- | |
| 26 | YM29420-300000 | FUSE | 10001- | |
| 27 | YM172141-17150 | BUZZER | 10001- | |
| 28 | YM172141-17190 | SWITCH,WORK LAMP | 10001- | |
| 29 | YM172141-17230 | BULB | 10001- | |
| 30 | YM172164-17250 | BRACKET,RELAY | 10001- | |
| 31 | YM172162-17410 | LAMP ASS'Y | 10001- | |
| 32 | YM29220-788200 | BULB | 10001- | |
| 33 | YM129136-77100 | RELAY,SAFETY | 10001- | |
| 34 | YM119650-77910 | RELAY,GLOW | 10001- | |
| 35 | YM119632-77922 | TIMER | 10209- | |
| 36 | YM22137-040000 | WASHER | 10001- | |
| 37 | YM22137-060000 | WASHER | 10001- | |
| 38 | YM22217-080000 | WASHER | 10001- | |
| 39 | YM22217-080000 | WASHER | 10001- | |
| 40 | YM26013-060122 | BOLT | 10001- | |
| 41 | YM26022-050162 | SCREW | 10001- | |
| 42 | YM26022-060122 | SCREW | 10001- | |
| 43 | YM26022-060122 | SCREW | 10001- | |
| 44 | YM26022-060122 | SCREW | 10001- | |
| 45 | YM26022-060162 | SCREW | 10001- | |
| 46 | YM26022-060202 | SCREW | 10001- | |
| 47 | YM26116-080162 | BOLT | 10001- | |
| 48 | YM26116-080202 | BOLT | 10001- | |
| 49 | YM26589-040202 | SCREW | 10001- | |
| 50 | YM26716-040002 | NUT | 10001- | |
| 51 | YM172964-17100 | SWITCH ASS'Y | 11001- | |
| 52 | YM172964-16520 | HARNESS | 11001- | |
| 54 | YM172964-17120 | NUT | 11001- | |
| 55 | YM172983-16530 | TUBE | 11001- | |
| 56 | YM26587-040082 | SCREW | 11001- | |
| 57 | \6\ | KEY ASS'Y | 11001- | |
| 58 | YM933110-05300 | HORN | 10001- | |
| 59 | YM194464-52190 | SWITCH,SAFETY START | 10183- | |
| 60 | YM26776-180002 | NUT,LOCK | 10183- | |
| 61 | YM172164-17140 | SWITCH | 10196- | |
| 62 | YM26776-160002 | NUT | 10196- |
