
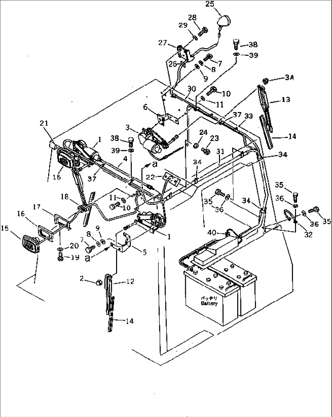
| Item | Part No. | Part Name | Qty | Serial No. |
| 1 | 120-Y79-5111 | MOTOR ASS'Y,L.H. | 45001- | |
| 120-Y79-5121 | MOTOR ASS'Y,R.H. | 45001- | ||
| 2 | AM859908-1350 | NUT | 45001- | |
| 3 | 120-Y79-5141 | MOTOR ASS'Y,REAR | 45001- | |
| 3A | AM859908-1350 | NUT | 45001- | |
| 4 | 120-Y79-5130 | CABLE | 45001- | |
| 5 | 120-Y79-5212 | BRACKET,L.H. | .- | |
| \0\120-Y79-5211 | BRACKET,L.H. | 45001-. | ||
| 120-Y79-5222 | BRACKET,R.H. | .- | ||
| \0\120-Y79-5221 | BRACKET,R.H. | 45001-. | ||
| 6 | 120-Y79-5381 | BRACKET | .- | |
| \0\120-Y79-5380 | BRACKET,REAR | 45001-. | ||
| 7 | 01010-50616 | BOLT | 45001- | |
| 8 | 01602-20619 | WASHER,SPRING | 45001- | |
| 9 | 01643-30623 | WASHER | 45001- | |
| 10 | 01010-51020 | BOLT | 45001- | |
| 11 | 01602-21030 | WASHER,SPRING | 45001- | |
| 12 | 08184-10550 | ARM,WIPER | 45001- | |
| 13 | 08184-10500 | ARM,WIPER | 45001- | |
| 14 | 08185-00400 | BLADE,WIPER | 45001- | |
| 15 | 120-Y79-5150 | LAMP ASS'Y,HEAD | 45001- | |
| 16 | 120-Y79-5170 | CUSHION | 45001- | |
| 17 | 120-Y79-5180 | BRACKET | 45001- | |
| 18 | 08037-03614 | GROMMET | 45001- | |
| 19 | 01220-40612 | SCREW | 45001- | |
| 20 | 01602-20619 | WASHER,SPRING | 45001- | |
| 21 | 120-Y79-5350 | WIRE | 45001- | |
| 22 | 08142-22400 | LAMP,ROOM | 45001- | |
| 23 | 01220-40620 | SCREW | 45001- | |
| 24 | 01602-20619 | WASHER,SPRING | 45001- | |
| 25 | 08128-22400 | LAMP ASS'Y | 45001- | |
| 26 | 175-822-6980 | WASHER | 45001- | |
| 27 | 120-Y79-5190 | BRACKET | 45001- | |
| 28 | 01010-51030 | BOLT | 45001- | |
| 29 | 01602-21030 | WASHER,SPRING | 45001- | |
| 30 | 120-Y79-5340 | WIRE | 45001- | |
| 31 | 120-Y79-5260 | WIRE | 45001- | |
| 32 | 08028-14025 | WIRE¤ 250MM | 45001- | |
| 33 | 08034-00414 | BAND | 45001- | |
| 34 | 08036-02514 | CLIP | 45001- | |
| 35 | 01010-51016 | BOLT | 45001- | |
| 36 | 01602-21030 | WASHER,SPRING | 45001- | |
| 37 | 08036-31214 | CLIP | 45001- | |
| 38 | 01010-51016 | BOLT | 45001- | |
| 39 | 01602-21030 | WASHER,SPRING | 45001- | |
| 40 | 08037-01008 | GROMMET | 45001- |
