
| Item | Part No. | Part Name | Qty | Serial No. |
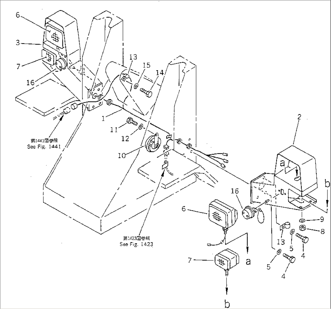
| 1 | 363-06-23223 | WIRE ASS'Y | 4071- | |
| \0\363-06-23222 | WIRE ASS'Y | 3001-4070 | ||
| 2 | 362-B60-1110 | BRACKET,L.H. | 3001- | |
| 08036-41814 | CLIP | 3001- | ||
| 3 | 362-B60-1120 | BRACKET,R.H. | 3001- | |
| 08036-41814 | CLIP | 3001- | ||
| 4 | 01010-51030 | BOLT | 3001- | |
| 5 | 01643-31032 | WASHER | 3001- | |
| 6 | 363-06-23410 | LAMP ASS'Y,HEAD | 3001- | |
| EDBY20756102 | LENS | 3001- | ||
| 08119-01260 | BULB¤ 60W | 3001- | ||
| 7 | 363-06-23420 | LAMP ASS'Y | 3001- | |
| ED11-3291310-2 | LENS | 3001- | ||
| ED11-0110661-2 | BULB¤ 20W | 3001- | ||
| 8 | 01580-11008 | NUT | 3001- | |
| 9 | 01643-31032 | WASHER | 3001- | |
| 10 | 362-06-33210 | HORN | 3001- | |
| 11 | 01010-50812 | BOLT | 3001- | |
| 12 | 01643-30823 | WASHER | 3001- | |
| 13 | 08036-01014 | CLIP | 3001- | |
| 14 | 01010-51016 | BOLT | 3001- | |
| 15 | 01643-31032 | WASHER | 3001- | |
| 16 | 363-06-23530 | LAMP | 3001- | |
| 08139-01200 | LAMP | 3001- | ||
| 363-06-23540 | BULB | 3001- |
