
| Item | Part No. | Part Name | Qty | Serial No. |
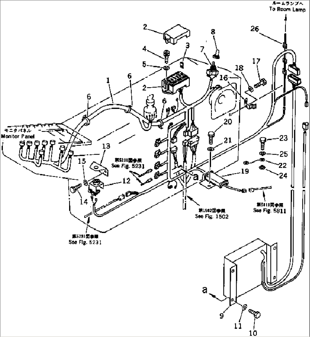
| 1 | 20X-06-32111 | WIRE ASS'Y | 8001-@ | |
| 22W-06-13590 | DIODE | 8001-@ | ||
| 2 | 205-06-71480 | FUSE BOX | 8001-@ | |
| 3 | 22W-06-13150 | FUSE¤ 5A | 8001-@ | |
| 283-06-16190 | FUSE¤ 10A | 8001-@ | ||
| 205-06-73180 | FUSE¤ 15A | 8001-@ | ||
| 201-06-61240 | FUSE¤ 30A | 8001-@ | ||
| 4 | 01252-40612 | BOLT | 8001-@ | |
| 5 | 01641-20608 | WASHER | 8001-@ | |
| 6 | 08036-01814 | CLIP | 8001-8075 | |
| 7 | 01010-51016 | BOLT | 8016-@ | |
| 01010-51020 | BOLT | 8001-8015 | ||
| 8 | 01643-31032 | WASHER | 8001-8075 | |
| 9 | 203-06-41570 | SWITCH,PARKING BRAKE | 8001-@ | |
| 10 | 203-06-41680 | CAP | 8001-@ | |
| 11 | 201-06-62350 | BOX,CONTROL | 8001-@ | |
| 08040-00500 | FUSE¤ 5A | 8001-@ | ||
| 12 | 01010-50816 | BOLT | 8001-@ | |
| 13 | 01643-30823 | WASHER | 8001-@ | |
| 14 | 600-815-1361 | SIGNAL,GLOW | 8001-@ | |
| 15 | 201-06-61340 | BRACKET | 8001-@ | |
| 16 | 01010-50616 | BOLT | 8001-@ | |
| 17 | 01602-20619 | WASHER,SPRING | 8001-@ | |
| 18 | 201-06-62160 | CLIP | 8001-8075 | |
| 19 | 01010-50610 | BOLT | 8001-8075 | |
| 20 | 01010-50616 | BOLT | 8001-8075 | |
| 21 | 01602-20619 | WASHER,SPRING | 8001-8075 | |
| 22 | 08053-16212 | CLIP | 8073-@ | |
| 7821-92-5310 | BRACKET | 8001-8072 | ||
| 23 | 01010-51016 | BOLT | 8001-@ | |
| 24 | 01643-31032 | WASHER | 8001-@ | |
| 25 | 201-06-62151 | COVER | 8001-@ | |
| 26 | 01010-51020 | BOLT | 8001-@ | |
| 27 | 01643-31032 | WASHER | 8001-@ | |
| 28 | 20Y-06-11940 | WIRING HARNESS | 8001-@ | |
| 29 | 01010-50816 | BOLT | 8001-@ | |
| 30 | 01605-10818 | WASHER | 8001-@ | |
| 31 | 01643-30823 | WASHER | 8001-@ | |
| 32 | 08051-00801 | CLIP | 8001-@ |
