
| Item | Part No. | Part Name | Qty | Serial No. |
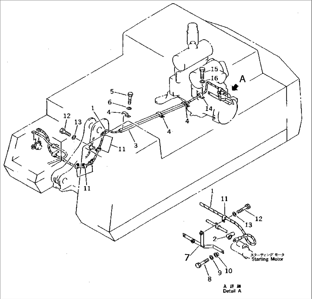
| 1 | 209-06-61312 | CABLE | 10166- | |
| 1 | 209-06-61311 | CABLE | 10001-10165 | |
| 2 | 08038-00035 | CAP | 10001- | |
| 3 | 209-06-61380 | DUCT | 10001-10224 | |
| 4 | 209-06-61410 | PLATE | 10001- | |
| 5 | 01010-81016 | BOLT | 10224- | |
| 5 | 01010-51016 | BOLT | 10001-10223 | |
| 6 | 01643-31032 | WASHER | 10001- | |
| 7 | 209-06-61422 | BRACKET | 10001- | |
| 8 | 01010-51235 | BOLT | 10001- | |
| 9 | 01643-31232 | WASHER | 10001- | |
| 10 | 21N-30-11340 | COLLAR | 10001- | |
| 11 | 08036-02514 | CLIP | 10001- | |
| 12 | 01010-81225 | BOLT | 10224- | |
| 12 | 01010-51225 | BOLT | 10001-10223 | |
| 13 | 01643-31232 | WASHER | 10001- | |
| 14 | 08036-02514 | CLIP | 10001- | |
| 15 | 01010-81016 | BOLT | 10224- | |
| 15 | 01010-51016 | BOLT | 10001-10223 | |
| 16 | 01643-31032 | WASHER | 10001- |
