
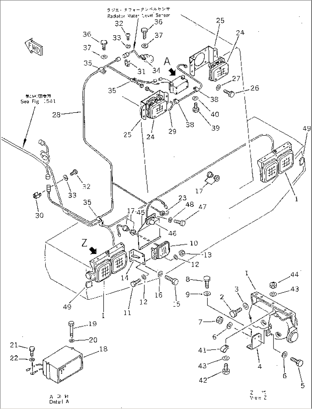
Item | Part No. | Part Name | Qty | Serial No. |
1 | 421-06-13730 | LAMP ASS'Y,REAR¤ L.H. | 10001-19999 | |
421-06-13820 | LAMP ASS'Y,REAR¤ R.H. | 10001-19999 | ||
421-06-13740 | LENS,STOP LAMP | 10001-19999 | ||
421-06-13750 | LENS,TURN SIGNAL | 10001-19999 | ||
08105-12420 | BULB¤ 25W | 10001-19999 | ||
08104-12420 | BULB¤ 25/10W | 10001-@ | ||
08102-02403 | BULB¤ 3W | 10001-@ | ||
2 | 01010-50820 | BOLT | 10001-19999 | |
3 | 01643-30823 | WASHER | 10001-19999 | |
4 | 421-06-11870 | BRACKET | 10001-19999 | |
5 | 01010-50612 | BOLT | 10001-19999 | |
6 | 01643-30623 | WASHER | 10001-19999 | |
7 | 01580-00605 | NUT | 10001-19999 | |
8 | 01010-50816 | BOLT | 10001-19999 | |
9 | 01643-30823 | WASHER | 10001-19999 | |
10 | 421-06-13901 | LAMP ASS'Y,BACK | 10001-19999 | |
421-06-13911 | LENS | 10001-19999 | ||
08105-12420 | BULB¤ 25W | 10001-19999 | ||
11 | 01010-50816 | BOLT,(FOR BACK LAMP) | 10001-19999 | |
12 | 01643-30823 | WASHER,(FOR BACK LAMP) | 10001-19999 | |
13 | 01580-10806 | NUT,(FOR BACK LAMP) | 10001-19999 | |
14 | 421-06-11811 | BRACKET,(FOR BACK LAMP) | 10001-19999 | |
15 | 01010-51220 | BOLT,(FOR BACK LAMP) | 10001-19999 | |
16 | 01643-31232 | WASHER,(FOR BACK LAMP) | 10001-19999 | |
17 | 421-06-12651 | GROMMET | 10001-19999 | |
18 | 08164-00000 | BUZZER,BACK | 10001-19999 | |
19 | 6132-11-6460 | BOLT,(FOR BACK BUZZER) | 10001-19999 | |
20 | 01640-20816 | WASHER,(FOR BACK BUZZER) | 10001-19999 | |
21 | 01010-51016 | BOLT,(FOR BACK BUZZER) | 10001-19999 | |
22 | 01643-31032 | WASHER,(FOR BACK BUZZER) | 10001-19999 | |
23 | 08037-01610 | GROMMET | 10001-@ | |
24 | 421-06-13202 | WORK LAMP ASS'Y | 10001-@ | |
22W-06-12170 | BULB¤ 24V | 10001-@ | ||
421-06-13120 | CUSHION | 10001-@ | ||
25 | 421-06-11383 | PLATE | 10001-19999 | |
26 | 01010-51220 | BOLT | 10001-19999 | |
27 | 01643-31232 | WASHER | 10001-19999 | |
28 | 421-06-12123 | WIRE ASS'Y | 10001-@ | |
29 | 421-06-12131 | WIRE ASS'Y | 10001-@ | |
30 | 283-06-17130 | CLIP | 10001-19999 | |
31 | 421-06-12910 | CLIP | 10001-@ | |
32 | 01220-40608 | SCREW | 10001-@ | |
33 | 01641-20608 | WASHER | 10001-@ | |
34 | 08036-10814 | CLIP | 10001-@ | |
35 | 08036-01414 | CLIP | 10001-@ | |
36 | 01010-51016 | BOLT | 10001-@ | |
37 | 01643-31032 | WASHER | 10001-@ | |
38 | 08036-01214 | CLIP | 10001-19999 | |
39 | 01010-51220 | BOLT | 10001-19999 | |
40 | 01643-31232 | WASHER | 10001-19999 | |
41 | 424-06-12780 | CLIP | 10001-19999 | |
42 | 01010-50820 | BOLT | 10001-19999 | |
43 | 01643-30823 | WASHER | 10001-19999 | |
44 | 01580-10806 | NUT | 10001-19999 | |
45 | 421-06-17113 | BRACKET,LICENSE | 10001-19999 | |
46 | 08137-32400 | LAMP ASS'Y,LICENSE | 10001-@ | |
08110-12410 | BULB¤ 12W | 10001-@ | ||
47 | 01010-51225 | BOLT | 10001-19999 | |
48 | 01643-31232 | WASHER | 10001-19999 | |
49 | 421-06-17150 | REFLECTOR | 10001-19999 |