
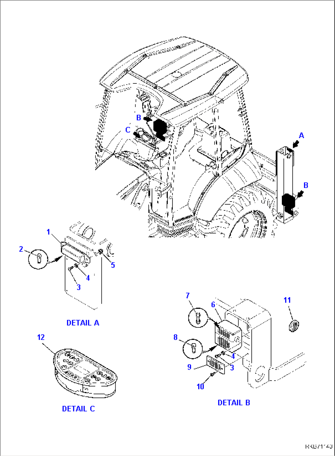
| Item | Part No. | Part Name | Qty | Serial No. |
| 1 | 22E-06-11320 | LAMP | F60003- | |
| 2 | 21D-06-11580 | BULB 5W 12V | F60003- | |
| 3 | 21D-09-15870 | SCREW | F60003- | |
| 3 | 21D-09-15870 | SCREW | F60003- | |
| 4 | 01640-20508 | WASHER | F60003- | |
| 4 | 01640-20508 | WASHER | F60003- | |
| 5 | 21D-09-23140 | NUT | F60003- | |
| 6 | 42N-06-12760 | REAR LIGHT | F60003- | |
| 7 | 21D-06-11570 | BULB 21W 12V | F60003- | |
| 8 | 21D-06-11580 | BULB 5W 12V | F60003- | |
| 9 | 21D-06-11380 | REFLEX REFLECTOR | F60003- | |
| 10 | 37A-09-1W027 | BOLT | F60003- | |
| 11 | 42N-06-16210 | REFLEX REFLECTOR | F60003- | |
| 12 | 42N-06-15520 | FRONT CLUSTER | F60003- |
