
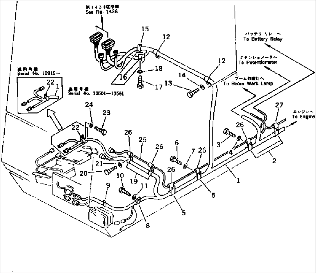
Item | Part No. | Part Name | Qty | Serial No. |
1 | (209-06-51223) | WIRING HARNESS | 11104- | |
(\0\209-06-51222) | WIRING HARNESS | 10816-11103 | ||
(209-06-51221) | WIRING HARNESS | 10501-10815 | ||
2 | 08036-03014 | CLIP | 10501- | |
3 | 01010-51225 | BOLT | 10501- | |
4 | 01643-31232 | WASHER | 10501- | |
5 | 08036-02514 | CLIP | 10501- | |
6 | 01010-51225 | BOLT | 10501- | |
7 | 01643-31232 | WASHER | 10501- | |
8 | 08036-01414 | CLIP | 10501- | |
9 | 08036-11214 | CLIP | 10501- | |
10 | 01010-51225 | BOLT | 10501- | |
11 | 01643-31232 | WASHER | 10501- | |
12 | 08036-03014 | CLIP | 10501- | |
13 | 01010-51225 | BOLT | 10501- | |
14 | 01643-31232 | WASHER | 10501- | |
15 | 08036-02514 | CLIP | 10501- | |
16 | 08036-01814 | CLIP | 10501-10561 | |
17 | 01010-51225 | BOLT | 10501- | |
18 | 01643-31232 | WASHER | 10501- | |
19 | 08036-02514 | CLIP | 10501- | |
20 | 01010-51225 | BOLT | 10501- | |
21 | 01643-31232 | WASHER | 10501- | |
22 | 08036-01814 | CLIP | 10501- | |
23 | 01010-51225 | BOLT | 10501- | |
24 | 01643-31232 | WASHER | 10501- | |
G-1 | (\8\209-06-X3000) | AUTO COMPENSATION G. | 10501- | |
==================== | ||||
25 | (209-06-51520) | WIRING HARNESS | 10501- | |
26 | 08036-02514 | CLIP | 10501- | |
27 | 08036-01014 | CLIP | 10501- | |
==================== |